Главная Случайная страница


Полезное:

Как сделать разговор полезным и приятным Как сделать объемную звезду своими руками Как сделать то, что делать не хочется? Как сделать погремушку Как сделать так чтобы женщины сами знакомились с вами Как сделать идею коммерческой Как сделать хорошую растяжку ног? Как сделать наш разум здоровым? Как сделать, чтобы люди обманывали меньше Вопрос 4. Как сделать так, чтобы вас уважали и ценили? Как сделать лучше себе и другим людям Как сделать свидание интересным?


Категории:

АрхитектураАстрономияБиологияГеографияГеологияИнформатикаИскусствоИсторияКулинарияКультураМаркетингМатематикаМедицинаМенеджментОхрана трудаПравоПроизводствоПсихологияРелигияСоциологияСпортТехникаФизикаФилософияХимияЭкологияЭкономикаЭлектроника






Интегральные характеристики некоторых плоских фигур

ПРИЛОЖЕНИЕ 1

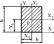
Таблица П 1.1

 

  X0 = ; Y0 = Jx = ; Jy = ; Jxy = Jxc = ; Jyc = ; Jxc yc = 0
  X0 = ; Y0 = Jx = ; Jy = ; Jxy = Jxc = ; Jyc = ; Jxc yc = –
  Jxc = Jyc = = Jp = = Jxc yc = 0
  X0 = R; Y0 = = Jxc = ; Jyc = ; Jxc yc = 0 Jx =
  X0 = Y0 = = ≈ 0,424R Jx = Jy = ; Jxy = Jxc = Jyc = 0,055R4; Jxc yc = – 0,0155R4

 

Таблица П 1.2 Варианты задания «Интегральные характеристики сечений»

 

 

 

Продолжение табл. П 1.2

 

 

Продолжение табл. П 1.2

 

Окончание табл. П 1.2

 

 

        Уголки Балки Швелперы Балки  
  № варианта     С, cм   неравно- бокие   равнобокие швеллеры   двутав- ровые
    ГОСТ    
    8510-72 8509-72 8240-72 8239-72
    12,5/bc 14b    
    14/9с 16a 18а 22а
    16/10b 18b    
    18/11a 16с 20a 24а
    12,5/8d 20a    
    20/12,5b 22a 22а 27а
    25l16а 25a .24  
    1б/10с 16а 24а 30а
    20/12,5c 20c    
    25/16b 25с    

 

1.Определить положение центра тяжести.

2. Вычислить величину моментов инерции относительно центральных осей (в вариантах 1 – 30 – это главные моменты инерции).

3. В вариантах 31 – 60 определить положение главных центральных осей.

4. Вычислить величину главных моментов инерции.

5. Вычертить сечение в масштабе и указать на нем все размеры; нанести все оси координат.

 



<== предыдущая | следующая ==>
 | Уважаемый клиент!





Date: 2015-06-11; view: 396; Нарушение авторских прав



mydocx.ru - 2015-2026 year. (0.595 sec.) Все материалы представленные на сайте исключительно с целью ознакомления читателями и не преследуют коммерческих целей или нарушение авторских прав - Пожаловаться на публикацию