Главная Случайная страница


Полезное:

Как сделать разговор полезным и приятным Как сделать объемную звезду своими руками Как сделать то, что делать не хочется? Как сделать погремушку Как сделать так чтобы женщины сами знакомились с вами Как сделать идею коммерческой Как сделать хорошую растяжку ног? Как сделать наш разум здоровым? Как сделать, чтобы люди обманывали меньше Вопрос 4. Как сделать так, чтобы вас уважали и ценили? Как сделать лучше себе и другим людям Как сделать свидание интересным?


Категории:

АрхитектураАстрономияБиологияГеографияГеологияИнформатикаИскусствоИсторияКулинарияКультураМаркетингМатематикаМедицинаМенеджментОхрана трудаПравоПроизводствоПсихологияРелигияСоциологияСпортТехникаФизикаФилософияХимияЭкологияЭкономикаЭлектроника






Приклад попереднього (ескізного розрахунку) ПНЧ





5.1.4.1 Вихідні дані:

1) необхідна потужність на виході ПНЧ Рвих = 2,5 Вт;

2) опір навантаження Rн = 5 Ом;

3) напруга джерела вхідного сигналу Uвх = 60 мВ;

4) внутрішній опір джерела сигналу Rдж = 250 Ом;

5) схема з трансформаторним зв’язком;

6) діапазон частот f н = 50 Гц, f в = 20000 Гц.

Вважаємо, що ПНЧ працює в стаціонарних умовах. Температура оточуючого середовища: Тmin = + 15°С; Тmax = + 25оС.

5.1.4.2 Необхідно визначити:

1) коефіцієнт підсилення ПНЧ за потужністю Кр;

2) тип схеми вихідного (кінцевого) каскаду;

3) типи транзисторів каскадів підсилення;

4) кількість каскадів підсилення (структурну схему ПНЧ);

5) орієнтовну електричну принципову схему ПНЧ.

5.1.4.3 Порядок розрахунку

5.1.4.3.1 Знаходимо потужність вхідного сигналу.

Найбільша потужність віддається в навантаження, коли його опір дорівнює внутрішньому опору джерела. Тоді

, (5.1)

де Rвх – вхідний опір першого каскаду ПНЧ (Rвх = Rдж).

Маємо

Вт.

5.1.4.3.2 Знаходимо потрібний коефіцієнт підсилення за потужністю.

У загальному випадку рівність Rвх = Rдж не виконується, а величина опору навантаження ПНЧ не дорівнює опору кінцевого каскаду. Тому на вході та виході ПНЧ можуть бути застосовані узгоджувальні трансформатори, на яких буде губитися частина потужності корисного сигналу. Крім того, в ПНЧ звичайно застосовують регулятори рівня вихідного сигналу, що також викликає деяке зниження потужності сигналу.

Керуючись цим, коефіцієнт підсилення за потужністю розраховують за такою формулою:

, (5.2)

де – ККД вхідного трансформатора, задається у межах (0,7...0,8);

– ККД вихідного трансформатора, задається у межах (0,75...0,85);

К рег – коефіцієнт передачі регулятора рівня сигналу, задається у межах (0,3...0,5).

.

Коефіцієнт підсилення за потужністю у децибелах:

 

, (5.3)

дБ.

5.1.4.3.3 Попередньо вибираємо схему, тип підсилюючих приладів та орієнтовну величину коефіцієнта підсилення за потужністю вихідного каскаду. При цьому зважаємо на наступні рекомендації:

1) при розрахунковій потужності вихідного каскаду до 50 мВт доцільно використовувати однотактну схему з малопотужним транзистором в режимі класу А;

2) за потужністю, що перевищує 50 мВт, треба застосовувати двотактну схему, режим якої (клас АВ або В), потужність транзисторів (мала, середня чи велика) визначаються з огляду на певне значення Р вих .

Тип транзистора вихідного каскаду вибираємо за величиною максимально допустимої потужності, що розсіюється на його колекторі. Для цього знаходимо потужність, яку транзистор повинен віддати у навантаження:

(5.4)

а потім знаходимо потужність, що споживається колекторним ланцюгом від джерела живлення:

1) для однотактного каскаду в режимі класу А:

(5.5)

де – коефіцієнт завантаження транзистора (приймається рівним 0,8);

2) для двотактного каскаду в режимі класу АВ або В:

(5.6)

де – ККД вихідного каскаду (для однотактного каскаду приймається приблизно 0,4, а для двотактних – від 0,6 до 0,7).

У нашому випадку Р вих = 2,5 Вт > 50 мВт, тому в якості вихідного каскаду вибираємо за умовами двотактну трансформаторну схему підсилення, для якої

Вт;

Вт.

За знайденим значенням РK вибираємо тип транзистора вихідного каскаду з табл. 5.2 або з довідника [4]. При цьому необхідно виконувати умови:

РKмакс > РK; fh21E >> fв. (5.7)

де РКмакс – максимально допустима потужність, що розсіюється на колекторі вибраного транзистора;

fh21E – гранична частота коефіцієнта передачі струму для вибраного типу транзистора в схемі з СЕ.

 

Таблиця 5.2 – Основні параметри деяких транзисторів

Тип транзисто- ра Струк-тура РКмакс, мВт h21E (b) fh21E, МГц Граничний режим Клас за потуж-ністю
UКмакс, В IКмакс, мА
КТ 361 Г КТ 3107 Е КТ 315 Г p-n-p p-n-p n-p-n   50-350 120-220 50-350       Малої потуж-ності
КТ 502 В КТ 503 В p-n-p n-p-n   40-120         Середньої потуж-ності
КТ 814 А   КТ 816 А   КТ 815 А   КТ 817 А p-n-p p-n-p n-p-n n-p-n (10000) (25000) (10000) (25000) >40   >20   >40   >20                           Великої потуж-ності

*) У дужках наведено потужність з додатковим тепловідводом


 

Вибираємо транзистор типу КТ815А з параметрами:

РKмакс = 1,0 Вт > 0,67 Вт; fh21E = 3 МГц >> 20 кГц.

У цьому випадку транзистор можна використовувати без додаткового охолодження (тепловідводу).

5.1.4.2.4 Вибираємо схему каскадів попереднього підсилення.

Для попереднього підсилення, як правило, використовують підсилювачі з СЕ.

У якості активного елемента застосуємо малопотужний транзистор КТЗ15 n-p-n типу, бо для вихідного каскаду також було обрано транзистор n-p-n типу.

5.1.4.2.5 Знаходимо орієнтовну кількість каскадів m та складаємо структурну схему ПНЧ.

За певних умов можна вважати, що кожний каскад підсилювача за схемою з СЕ забезпечує підсилення потужності приблизно на 20 дБ.

Тоді

(5.8)

Вибираємо значення m найближче до більшого цілого, тобто m = 4. Структурна схема ПНЧ наведена на рис. 5.1, де цифрами 1-3 позначено каскади попереднього підсилення, а цифрою 4 – вихідний (кінцевий) каскад.

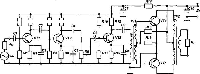
5.1.4.2.6 На основі структурної схеми, з урахуванням вище наведених міркувань складаємо орієнтовну принципову схему ПНЧ, що наведена на рис. 5.2.

У цій схемі каскади попереднього підсилення виконано на транзисторах VT1- VT3, а кінцевий – на транзисторах VT4,VT5. Резистор R9 є регулятором рівня вихідного сигналу. Конденсатор С10 – фільтр напруги живлення ПНЧ, а -фільтр (R14С7) забезпечує додаткову фільтрацію напруги живлення каскадів попереднього підсилення (забезпечує виконання умов електромагнітної сумісності). Величина опору резистора R14 зазвичай складає декілька десятків Ом.

5.1.4.2.7 Якщо для вихідного каскаду обрати безтрансформаторну схему, то з формули (5.2) треба вилучити величини ηТвх і ηТвих.

Тоді матимемо:

дБ,

Отже, m = 4.

Оскільки безтрансформаторні кінцеві каскади найчастіше будуються на основі каскадів з СК, що не мають підсилення за напругою, то можна вважати величину їх підсилення за потужністю рівною 10 дБ. У такому разі підсилення чотирикаскадної схеми складає:

> 62 дБ,

що відповідає завданню.

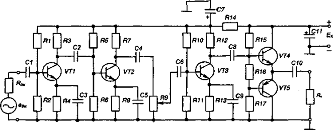
Орієнтовну електричну принципову схему безтрансформаторного ПНЧ наведено на рис. 5.3. Тут, для забезпечення живлення кінцевого каскаду від однополярного джерела, його підмикання до передкінцевого каскаду і до навантаження здійснюється через конденсатори С 8, С 10 (ємність С 10 за великої потужності навантаження складає тисячі мікрофарад).

Транзистор VT5 повинен мати такі ж параметри, як і VT4, але бути протилежного типу провідності: вибираємо транзистор КТ814А p-n-p типу, комплементарний до КТ815А.

Кінцевий каскад працює в режимі класу АВ, що визначається подачею в режимі спокою на базу транзистора VT4 напруги зміщення (-UR16 /2), а на базу транзистора VT5 напруги зміщення (+ UR16 /2). Величина опору резистора R 16 набагато менша за опір резисторів R 15 і R 17 (падіння напруги на ньому становить близько 1,5 В), тому напруга зміщення ± UR16 /2 визначається струмом дільника I» EК / (R 15 + R 17 ) та її можна вважати рівною I·R16 /2. Невелике значення напруги зміщення визначає незначний (десятки міліампер) наскрізний струм транзисторів VT4 і VT5. Струм у навантаженні при цьому відсутній. Оскільки величина опору R 16 незначна, можна вважати, що за змінним струмом бази транзисторів VT4 і VT5 з’єднані.


 


                       
       
     
   
 
 
 
 


Рис. 5.2 – Трансформаторний ПНЧ. Схема електрична принципова

 

 

 

 

Рис. 5.3 – Безтрансформаторний ПНЧ. Схема електрична принципова


Для забезпечення кращої температурної стабільності кінцевого каскаду іноді замість резисторів R 15 - R 17 застосовують 2-3 діоди, до того ж розміщують їх (приклеюють) на тому ж тепловідводі, що й транзистори VT4 і VT5. Тоді зі змінами температури транзисторів (що викликає зміну контактної різниці потенціалів база-емітер) будуть пропорційно змінюватись і напруги зміщення транзисторів.

5.1.4.2.8 Отримані в результаті попереднього розрахунку дані є основою для остаточного розрахунку ПНЧ.







Date: 2015-06-11; view: 608; Нарушение авторских прав



mydocx.ru - 2015-2026 year. (0.649 sec.) Все материалы представленные на сайте исключительно с целью ознакомления читателями и не преследуют коммерческих целей или нарушение авторских прав - Пожаловаться на публикацию