Главная Случайная страница


Полезное:

Как сделать разговор полезным и приятным Как сделать объемную звезду своими руками Как сделать то, что делать не хочется? Как сделать погремушку Как сделать так чтобы женщины сами знакомились с вами Как сделать идею коммерческой Как сделать хорошую растяжку ног? Как сделать наш разум здоровым? Как сделать, чтобы люди обманывали меньше Вопрос 4. Как сделать так, чтобы вас уважали и ценили? Как сделать лучше себе и другим людям Как сделать свидание интересным?


Категории:

АрхитектураАстрономияБиологияГеографияГеологияИнформатикаИскусствоИсторияКулинарияКультураМаркетингМатематикаМедицинаМенеджментОхрана трудаПравоПроизводствоПсихологияРелигияСоциологияСпортТехникаФизикаФилософияХимияЭкологияЭкономикаЭлектроника






Углеродистые стали





термодинамика фаза железоуглеродистый сплав

Основой для определения структурных составляющих углеродистых сталей в равновесном состоянии (после полного отжига) является диаграмма состояния системы «железо - углерод».

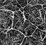
Микроструктура стали в равновесном состоянии зависит от содержания в ней углерода (рисунки 9 и 10).

 

а б


в г

а - сталь 20; б - сталь 40; в - сталь У8; г - сталь У12.

Рисунок 9 - Микроструктура углеродистых сталей

 

а) 0,15 % C б) 0,65 % C в) 0,8 % C

г) 0,85 % C д) 0,91 % C е) 1,18 % C

Рисунок 10 - Фотографии микроструктур сталей с различным содержанием углерода и различным видом термообработки

 

По структуре углерода стали делятся на три группы: доэвтектоидные, эвтектоидные и заэвтектоидные.

Доэвтектоидные стали содержат от 0,02 до 0,80 % углерода. Структура их состоит из феррита в виде светлых зерен и перлита (эвтектоидной механической смеси феррита и цементита) в виде мелких темных зерен. С повышением содержания углерода количество перлита пропорционально увеличивается, а феррита - уменьшается. Пользуясь правилом рычага, можно по соотношению площадей, занимаемых в микроструктуре перлитом и ферритом, приближенно определить содержание углерода в стали.

Пример: если перлит занимает примерно 25 % площади шлифа, то содержание углерода будет равно:

 

%.

 

Доэвтектоидные сплавы с содержанием углерода до 0,02 % называются техническим железом. Его структура состоит из феррита (при С = 0,008 %) или из феррита и третичного цементита (в сплавах с С = 0,008…0,020 %). Механические свойства технического железа зависят от его чистоты и величины зерна и находятся в пределах: σв = 180… 290 МПа; σ0,2 = 90… 170 МПа; δ = 30…50 %; KCU = 180… 250 Дж/см2; НВ = 45…80. Малоуглеродистые доэвтектоидные стали (ГОСТ 1050-78) применяются для цементируемых изделий машиностроения; среднеуглеродистые стали (сталь 30, 40, 50) в термически обработанном виде - для различных машиностроительных деталей.

Эвтектоидная сталь (содержание углерода - 0,8 %), состоит из перлита. Механические свойства перлита зависят от степени измельченности цементита. Среднепластичный перлит имеет следующие механические свойства: σв = 900 МПа; σ0,2 = 600 МПа; δ = 15 %; ψ = 30 %; KCU = 20 Дж/см2; НВ = 200.

Заэвтектоидные стали содержат 0,80…2,14 % С. Структура - перлит и вторичный цементит, расположенный в виде тонкой светлой сетки (или цепочек светлых зерен) по границам зерен перлита.

Эвтектоидные и заэвтектоидные углеродистые стали применяют при изготовлении различных инструментов, предназначенных для механической обработки металлов, пластмасс, дерева и других материалов, измерительных и слесарных инструментов и др.


Литература

 

1. Тушинский, Л.И. Методы исследования материалов/ Л.И. Тушинский, А.В. Плохов, А.О. Токарев, Н. Синдеев. - М.: Мир, 2004. - 380 с.

2. Лахтин, Ю.М. Материаловедение/ Ю.М. Лахтин. - М.: Металлургия, 1993. - 448 с.

. Фетисов, Г.П. Материаловедение и технология металлов/ Г.П. Фетисов, М.Г. Карпман и др. - М.: Высшая школа, 2001. - 622 с.

. Евстратова, И.И. Материаловедение/ И.И. Евстратова и др. - Ростов-на-Дону: Феникс, 2006. - 268 с.

. Маркова, Н.Н. Железоуглеродистые сплавы/ Н.Н. Маркова. - Орел: ОрелГТУ, 2006. - 96 с.

. Ильина, Л.В. Материалы, применяемые в машиностроении: справочное пособие/ Л.В. Ильина, Л.Н. Курдюмова. - Орел: ОрелГТУ, 2007.







Date: 2015-07-17; view: 780; Нарушение авторских прав



mydocx.ru - 2015-2026 year. (1.041 sec.) Все материалы представленные на сайте исключительно с целью ознакомления читателями и не преследуют коммерческих целей или нарушение авторских прав - Пожаловаться на публикацию