Главная Случайная страница


Полезное:

Как сделать разговор полезным и приятным Как сделать объемную звезду своими руками Как сделать то, что делать не хочется? Как сделать погремушку Как сделать так чтобы женщины сами знакомились с вами Как сделать идею коммерческой Как сделать хорошую растяжку ног? Как сделать наш разум здоровым? Как сделать, чтобы люди обманывали меньше Вопрос 4. Как сделать так, чтобы вас уважали и ценили? Как сделать лучше себе и другим людям Как сделать свидание интересным?


Категории:

АрхитектураАстрономияБиологияГеографияГеологияИнформатикаИскусствоИсторияКулинарияКультураМаркетингМатематикаМедицинаМенеджментОхрана трудаПравоПроизводствоПсихологияРелигияСоциологияСпортТехникаФизикаФилософияХимияЭкологияЭкономикаЭлектроника






схемы электрических сетей

Электрические сети состоят из множества элементов, электрически соединенных между собой. Это генераторы электростанций, повышающие и понижающие трансформаторы, ЛЭП, компенсирующие устройства (конденсаторы, реакторы и т. д.).

В задачах, решаемых при проектировании и эксплуатации электрических сетей, требуется анализировать их режимы работы на основе математических моделей, которыми являются схемы замещения или расчетные схемы.

Схемы замещения электрических сетей состоят из схем замещения их элементов. Следует различать классические схемы замещения сетей, используемые для анализа небольших схем, где выделяются все элементы, и расчетные схемы, предназначенные для расчетов на ЭВМ, в которых указываются параметры элементов электрической сети без указания вида схем замещения, так как в современных программах расчета на ЭВМ уже заложены соответствующие модели.

Для схем замещения простых электрических сетей говорят о П-образной схеме замещения ЛЭП и Г-образной схеме замещения трансформатора.

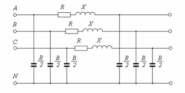
П-образная схема замещения трехфазной ЛЭП состоит из трех продольных ветвей с сосредоточенными сопротивлениями R и X фаз линии и поперечных ветвей, содержащих емкостные связи между фазами и нейтралью N. Нейтраль всегда имеется в моделях электрических сетей, даже если в сети физически не существует такой точки. Емкостные связи в схеме замещения ЛЭП разделены пополам и сосредоточены по концам схемы (рис. 3.1). Потери на корону учитываются отбором мощности (для ВЛ напряжением выше 220 кВ).

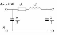
Поскольку в симметричной схеме параметры фаз одинаковые, удобно пользоваться так называемым однолинейным представлением схем замещения с изображением только одной фазы (рис. 3.2). Более того, в схеме замещения сети, чтобы не загромождать рисунок лишними линиями, нейтраль трехфазной сети не изображается и емкости как будто остаются в подвешенном виде или отмечается их присоединение к гипотетической нейтральной плоскости сети буквой N. Однако это правомерно только для симметричной схемы замещения сети и симметричной нагрузки.

Для ВЛ низкого напряжения и КЛ схема замещения упрощается за счет исключения емкостной проводимости и/или одного из сопротивлений RЛ, XЛ.

О схемах замещения трансформаторов см. разд. 2.

 

Рис. 3.1. П-образная схема замещения трехфазной ЛЭП

Схемы замещения компенсирующих устройств типа батарей конденсаторов (БК) и реакторов очень просты, так как в них малы потери на нагрев и они моделируются только емкостью или индуктивностью соответственно.

Важно отметить, что элементы типа R, X, G и В (сопротивления и проводимости) в схемах замещения даются для одной фазы, так как схемы, если это не оговаривается специально, считаются симметричными. Однако элементы типа отбора мощности (потери холостого хода и на корону) даются для всех трех фаз.

Рис. 3.2. Однолинейная П-образная схема замещения трехфазной ЛЭП

Нагрузки, заданные в виде сопротивлений или проводимостей, также задаются для одной фазы, но как отбор мощности – для трех фаз.

3.2. Пример составления схемы замещения

электрической сети

В качестве исходной схемы дается принципиальная схема сети (рис. 3.3).

 

Рис. 3.3. Принципиальная схема сети

Полная схема замещения включает в себя все элементы сети: каждую цепь линии, каждый трансформатор и т. п. (рис. 3.4). Эквивалентная схема замещения более простая, чем полная схема: в ней преобразованы в одну параллельные ветви (как продольные, так и поперечные) и там, где это возможно, объединены в одну последовательные ветви (рис. 3.5). При параллельном сложении схем замещения трехобмоточных трансформаторов (в виде двух трехлучевых звезд) предполагается, что потенциалы точек 0 и 0' одинаковы и эти точки можно совместить.

 

 

Рис. 3.4. Полная схема замещения сети (сопротивления в омах, проводимости в микросименсах, мощности в мегавольт-амперах, коэффици енты трансформации в относительных единицах – курсив)

 

 

Рис.3.5. Эквивалентная схема замещения сети (сопротивления в омах, проводимости в микросименсах, мощности в мегавольт-амперах, коэффициенты трансформации в относительных единицах – курсив)

Схема замещения БК мощностью 8 Мвар представлена в виде емкости со значением емкостной проводимости в микросименсах.

3.3. Расчетная схема замещения для примера

Расчетные схемы содержат те же данные, что и схемы замещения, но для удобства подготовки и чтения схем в них не прорисовываются отдельные элементы, а все ветви представляются сплошными линиями с указанием элементов трансформации, а для поперечных ветвей изображается вид элемента (рис. 3.6).

 

 

Рис. 3.6. Расчетная схема сети (сопротивления в омах, проводимости в микросименсах, мощности в мегавольт-амперах, коэффициенты трансформации в относительных единицах – курсив) В отличие от схемы замещения в расчетной схеме емкостная проводимость ЛЭП дается в целом для линии, а веточки холостого хода трансформаторов и отборы активной мощности на корону в ЛЭП присоединяются к прилегающим узлам как мощности нагрузок.

Подготовка расчетных схем для ЭВМ является трудоемким и кропотливым делом, в котором вероятность ошибок очень велика. Поэтому данные должны быть проверены, как правило, с помощью программных средств ЭВМ, например средств контроля баз данных.



<== предыдущая | следующая ==>
Съедобная наноупаковка | В отличие от поведения животных, деятельность человека имеет





Date: 2015-07-17; view: 466; Нарушение авторских прав



mydocx.ru - 2015-2026 year. (0.509 sec.) Все материалы представленные на сайте исключительно с целью ознакомления читателями и не преследуют коммерческих целей или нарушение авторских прав - Пожаловаться на публикацию