Главная Случайная страница


Полезное:

Как сделать разговор полезным и приятным Как сделать объемную звезду своими руками Как сделать то, что делать не хочется? Как сделать погремушку Как сделать так чтобы женщины сами знакомились с вами Как сделать идею коммерческой Как сделать хорошую растяжку ног? Как сделать наш разум здоровым? Как сделать, чтобы люди обманывали меньше Вопрос 4. Как сделать так, чтобы вас уважали и ценили? Как сделать лучше себе и другим людям Как сделать свидание интересным?


Категории:

АрхитектураАстрономияБиологияГеографияГеологияИнформатикаИскусствоИсторияКулинарияКультураМаркетингМатематикаМедицинаМенеджментОхрана трудаПравоПроизводствоПсихологияРелигияСоциологияСпортТехникаФизикаФилософияХимияЭкологияЭкономикаЭлектроника






Конструкция лабораторного стенда





Стенд включает в себя:

- Генератор импульсов имитирующий сигнал с катушки зажигания;

- ЭПХХ типа 25.3761-01.

 

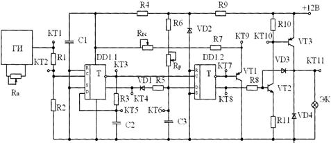
Рисунок 4 – Принципиальная схема стенда

 

Импульсы с выхода ГИ через делитель напряжения R1 - R2 поступают на вход D -триггера, на базе микросхемы DD1.1. Триггер включен по схеме делителя 2, формирует на выходе импульсы, длительностью равной удвоенному периоду входного сигнала. При появлении сигнала логической 1 на прямом выходе триггера, конденсатор С3 начинает заряжаться через резистор R6, напряжение на D -входе второго D -триггера постепенно увеличивается. С появлением на выходе сигнала логического 0, конденсатор С3 практически мгновенно разряжается через резистор R5 и диод VD1.

На низких оборотах конденсатор С3 успевает зарядится до напряжения равного Uп /2. В этом случае на прямом выходе второго D -триггера постоянно присутствует сигнал логической 1. Транзисторы VT2 и VT3 находятся в состоянии насыщения. На электромагнитный клапан подается напряжение. Транзистор VT1 открыт. Напряжение питания микросхем определяется параметрами делителя R4 - R7.

При достижении определенной частоты nоткл, конденсатор С3 не успевает зарядится и на прямом выходе второго D -триггера появляется сигнал логического 0. Транзисторы VT2 и VT3 переходят в состояние отсечки, клапан отключается. При этом сигнал логической 1 на инверсном выходе переводит транзистор VT1 в состояние отсечки, благодаря этому напряжение питания микросхем увеличивается и достигает своего максимального значения, равного напряжению стабилизации стабилитрона VD2. Величина Uп /2 также увеличивается, соответственно конденсатор С3 должен заряжаться дольше, т.е. частота включения nвкл меньше частоты отключения nоткл. Таким образом обеспечивается гистерезис.

 

 
 

 


Рисунок 5 – Зависимость изменения Uклапана от n

 

Для регулирования гистерезиса используется резистор Rгс, включенный последовательно с резистором R7. Минимальному значению сопротивления Rгс соответствует максимальный гистерезис.

Время зарядки конденсатора С3 регулируется с помощью резистора Rp, включенного последовательно с R6. Большему значению Rp соответствует меньшая частота nоткл.

 







Date: 2015-05-23; view: 702; Нарушение авторских прав



mydocx.ru - 2015-2026 year. (0.296 sec.) Все материалы представленные на сайте исключительно с целью ознакомления читателями и не преследуют коммерческих целей или нарушение авторских прав - Пожаловаться на публикацию