Главная Случайная страница


Полезное:

Как сделать разговор полезным и приятным Как сделать объемную звезду своими руками Как сделать то, что делать не хочется? Как сделать погремушку Как сделать так чтобы женщины сами знакомились с вами Как сделать идею коммерческой Как сделать хорошую растяжку ног? Как сделать наш разум здоровым? Как сделать, чтобы люди обманывали меньше Вопрос 4. Как сделать так, чтобы вас уважали и ценили? Как сделать лучше себе и другим людям Как сделать свидание интересным?


Категории:

АрхитектураАстрономияБиологияГеографияГеологияИнформатикаИскусствоИсторияКулинарияКультураМаркетингМатематикаМедицинаМенеджментОхрана трудаПравоПроизводствоПсихологияРелигияСоциологияСпортТехникаФизикаФилософияХимияЭкологияЭкономикаЭлектроника






Методы контроля технического состояния





 

Рассмотрим методы контроля работоспособности, основанные на оценивании реакции элементов ЭУ на рабочие и тестовые воздействия.

4.1. Метод, основанный на контроле совокупности диагностических параметров. Для реализации этого метода должна быть выбрана минимальная совокупность ДП и на них заданы допустимые пределы изменения, при которых ЭУ сохраняет работоспособность.

В этом случае необходимо измерить каждый ДП и сравнить с установленным допуском . Операцию сравнения может осуществлять ТСД или человек - оператор. Если значение каждого укладывается в установленные пределы, т.е. , то оборудование признается работоспособным и формулируется диагноз "годен", "работоспособен". В качестве входных воздействий используются рабочие или тестовые сигналы.

Примером служит метод контроля состояния изоляции электрических машин по токам утечки. Для трехфазной электрической машины . При наличии шести выводов метод заключается в следующем. Вначале измеряется ток утечки Iут1 изоляции одной фазы обмотки при заземленных двух других. Этот ток определяется двумя составляющими

Iут1=Iу1к+Iумф,

где Iу1к ток утечки изоляции фазы на заземленный корпус; Iумф – ток утечки между проверяемой фазой и обмотками заземленных фаз.

Аналогично измеряются токи утечки двух других фаз. Если значения токов утечки небольшие и разница между ними незначительная, т.е. Iут1 Iут2 ~Iут3, то состояние изоляции относительно корпуса и между фазами считается удовлетворительным. Если значения велики, это означает, что обмотки состарились или увлажнились.

4.2. Метод, основанный на контроле обобщенного диагностического параметра. В результате анализа диагностической модели может быть найден параметр X, который характеризует состояние ЭУ в целом и зависит от других параметров, т.е. . Примером такого параметра для ЭУ служит сопротивление изоляции Rи (табл.2.), являющееся отношением приложенного к изоляции напряжения U к току утечки Iут,т.е.

Ru=f(U,Iут).

Ток утечки состоит из поверхностных и объемных токов в изоляции. Например, для трансформаторов текущие значения Rи необходимо сравнить с результатом предыдущих измерений.

Уменьшение Rи обмоток свидетельствует об увлажнении или старении изоляции обмоток.

Таблица 2. Нормируемые значения сопротивления изоляции

Наименование электроустановки Сопротивление изоляции
Трансформаторы 110 кВ 300 МОм при температуре обмотки 20 0С
Электродвигатели мощностью до 5000 кВт, номинальное напряжение обмотки 10 кВ 70 МОм при температуре 200С
Силовые кабели на напряжение 1 кВ не ниже 0,5
Детали масляных выключателей, выполненных из органических материалов при Uн=5-150 кВ  

Метод заключается в измерении текущего значения Е и сравнении его с допустимым отклонением ΔЕ. Если Е принадлежит ΔЕ, то объект признается работоспособным, в противном случае – неработоспособным.

4.3. Метод, основанный на оценивании частотных характеристик. На вход ЭУ, например, электрической машины, подается тест в виде синусоидального сигнала в диапазоне частот f1...fn. По выходной реакции строятся амплитудно-частотные (АЧХ) и фазно-частотные (ФЧХ) характеристики, которые сравниваются с граничными значениями (маской) при интегральной оценке отклонения характеристик. Контроль работоспособности ЭУ по частотным характеристикам возможен в определенных точках (f1,f2,f3). В этом случае нет необходимости снимать всю характеристику, а работоспособность оценивается по реакции ЭУ на сигнал этих частот. Тест при этом резко сокращается. У работоспособной ЭУ характеристика или ее значения в характерных точках должны находиться в установленных пределах – в области работоспособности.

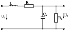
Разновидностью этого метода является частотно-резонансный метод, нашедший применение при диагностировании электрических машин (ЭМ) и основанный на пофазном сравнении АЧХ обмоток между собой. Для выявления межвитковых замыканий и определения состояния обмоток ЭМ на начало обмоток и корпус подается напряжение меняющейся частоты. Каждая обмотка может быть представлена упрощенной схемой замещения рис.6. АЧХ для этой схемы имеет вид

Рис.6.Схема замещения обмотки  

Рис.7. Амплитудно-частотные характеристики обмотки асинхронного двигателя







Date: 2015-05-23; view: 537; Нарушение авторских прав



mydocx.ru - 2015-2026 year. (0.919 sec.) Все материалы представленные на сайте исключительно с целью ознакомления читателями и не преследуют коммерческих целей или нарушение авторских прав - Пожаловаться на публикацию