Главная Случайная страница


Полезное:

Как сделать разговор полезным и приятным Как сделать объемную звезду своими руками Как сделать то, что делать не хочется? Как сделать погремушку Как сделать так чтобы женщины сами знакомились с вами Как сделать идею коммерческой Как сделать хорошую растяжку ног? Как сделать наш разум здоровым? Как сделать, чтобы люди обманывали меньше Вопрос 4. Как сделать так, чтобы вас уважали и ценили? Как сделать лучше себе и другим людям Как сделать свидание интересным?


Категории:

АрхитектураАстрономияБиологияГеографияГеологияИнформатикаИскусствоИсторияКулинарияКультураМаркетингМатематикаМедицинаМенеджментОхрана трудаПравоПроизводствоПсихологияРелигияСоциологияСпортТехникаФизикаФилософияХимияЭкологияЭкономикаЭлектроника






Глубина заложения фундаментов





Глубина заложения фундаментов должна приниматься с учетом:

назначения и конструктивных особенностей проектируемого сооружения, нагрузок и воздействий на его фундаменты;

глубины заложения фундаментов примыкающих сооружений, а также глубины прокладки инженерных коммуникаций;

существующего и проектируемого рельефа застраиваемой территории;

инженерно-геологических условий площадки строительства (физико-механических свойств грунтов, характера напластований, наличия слоев, склонных к скольжению, карманов выветривания, карстовых полостей и пр.);

гидрогеологических условий площадки и возможных их изменений в процессе строительства и эксплуатации сооружения;

возможного размыва грунта у опор сооружений, возводимых в руслах рек (мостов, переходов трубопроводов и т.п.);

глубины сезонного промерзания грунтов.

Нормативная глубина сезонного промерзания грунта принимается равной средней из ежегодных максимальных глубин сезонного промерзания грунтов (по данным наблюдений за период не менее 10 лет) на открытой, оголенной от снега горизонтальной площадке при уровне подземных вод, расположенном ниже глубины сезонного промерзания грунтов.

Нормативную глубину сезонного промерзания грунта dfn, м, при отсутствии данных многолетних наблюдений следует определять на основе теплотехнических расчетов. Для районов, где глубина промерзания не превышает 2,5 м, ее нормативное значение допускается определять по формуле:

,

где Mt - безразмерный коэффициент, численно равный сумме абсолютных значений среднемесячных отрицательных температур за зиму в данном районе, принимаемых по СНиП по строительной климатологии и геофизике, а при отсутствии в них данных для конкретного пункта или района строительства – по результатам наблюдений гидрометеорологической станции, находящейся в аналогичных условиях с районом строительства;

d0 – величина, принимаемая равной (м) для:

суглинков и глин – 0,23;

супесей, песков мелких и пылеватых – 0,28;

песков гравелистых, крупных и средней крупности – 0,30;

крупнообломочных грунтов – 0,34.

Значение d0 для грунтов неоднородного сложения определяется как средневзвешенное в пределах глубины промерзания.

Расчетная глубина сезонного промерзания грунта df, м, определяется по формуле:

,

где dfn – нормативная глубина промерзания;

kh – коэффициент, учитывающий влияние теплового режима сооружения, принимаемый: для наружных фундаментов отапливаемых сооружений по табл.5.1; для наружных и внутренних фундаментов неотапливаемых сооружений - kh =1,1, кроме районов с отрицательной среднегодовой температурой.

Примечание. В районах с отрицательной среднегодовой температурой расчетная глубина промерзания грунта для неотапливаемых сооружений должна определяться теплотехническим расчетом в соответствии с требованиями СНиП по проектированию оснований и фундаментов на вечномерзлых грунтах.

Расчетная глубина промерзания должна определяться теплотехническим расчетом и в случае применения постоянной теплозащиты основания, а также если тепловой режим проектируемого сооружения может существенно влиять на температуру грунтов (холодильники, котельные и т.п.).

Глубина заложения фундаментов отапливаемых сооружений по условиям недопущения морозного пучения грунтов основания должна назначаться:

а) для наружных фундаментов (от уровня планировки) – по табл.5.2;

б) для внутренних фундаментов – независимо от расчетной глубины промерзания грунтов.

Глубину заложения наружных фундаментов допускается назначать независимо от расчетной глубины промерзания, если:

фундаменты опираются на пески мелкие и специальными исследованиями на данной площадке установлено, что они не имеют пучинистых свойств, а также в случаях, когда специальными исследованиями и расчетами установлено, что деформации грунтов основания при их промерзании и оттаивании не нарушают эксплуатационную пригодность сооружения;

предусмотрены специальные теплотехнические мероприятия, исключающие промерзание грунтов.

Таблица 5.1

Особенности сооружения Коэффициент kh при расчетной среднесуточной температуре воздуха в помещении, примыкающем к наружным фундаментам
-5оС 0оС 5оС 10оС 15оС 20оС и более
Без подвала с полами, устраиваемыми: на грунте на лагах по грунту по утепленному цокольному перекрытию С подвалом или техническим подпольем     1,0 1,0   1,0   0,9     0,9 1,0   1,0   0,8     0,8 0,9   1,0   0,7     0,7 0,8   0,9   0,6     0,6 0,7   0,8   0,5     0,5 0,6   0,7   0,4
Примечания: 1. приведенные значения kh относятся к фундаментам, у которых расстояние от внешней грани стены до края фундамента αf <0,5 м; если αf ≥1,5 м, значения коэффициента kh повышаются на 0,1, но не более чем до значения kh =1; при промежуточном размере αf значения коэффициента kh определяется по интерполяции. 2. к помещениям, примыкающим к наружным фундаментам, относятся подвалы и технические подполья, а при их отсутствии – помещения первого этажа. 3. при промежуточных значениях температуры воздуха коэффициент kh принимается с округлением до ближайшего меньшего значения, указанного в таблице.

 


Таблица 5.2

Наименование грунтов под подошвой фундамента Глубина заложения фундаментов в зависимости от глубины расположения уровня подземных вод dw,м,при:
dwdf +2 dw > df +2
Скальные, крупнообломочные с песчаным заполнителем, пески гравелистые, крупные и средней крупности Пески мелкие и пылеватые Супеси с показателем текучести IL <0 То же при IL ≥0 Суглинки, глины, а также крупнообломочные грунты с пылевато-глинистым заполнителем при показателе текучести грунта или заполнителя IL ≥0,25 То же при IL < 0,25   Не зависит от df Не менее df   То же То же     То же То же   Не зависит от df То же   То же Не менее df     То же Не менее 0,5 df
Примечания: Глубину заложения фундаментов допускается принимать независимо от расчетной глубины промерзания df, если соответствующие грунты, указанные в таблице, залегают до глубины не менее нормативной глубины промерзания dfn.

 

  1. ПРОЕКТИРОВАНИЕ ОТДЕЛЬНО-СТОЯЩИХ ФУНДАМЕНТОВ

 

Первоначально необходимо назначить глубину заложения фундамента (см. раздел 5).

Глубина заложения для данного проекта назначается с учетом:

- геологических и гидрогеологических условий строительства;

- климатических (глубина промерзания);

- характера нагрузок, действующих на фундаменты и основание:

- конструктивных особенностей фундамента и здания.

Следует обратить особое внимание, что для данного задания глубина заложения существенно связана с важнейшей конструктивной особенностью определения глубины стакана фундамента и защемления колонны в стакане (не менее 1-1.5 h колонны). Важно также установление минимального защитного слоя бетона от низа опоры колонны в стакане до подошвы фундамента (минимум 20-30 см., в соответствии с требованиями расчета на продавливание). Методики расчетов изложены в справочной и учебной литературе.

Первоначально размеры подошвы определяют как для центрально нагруженного фундамента по принятому расчетному сопротивлению грунта основания (см. раздел 4).

Площадь подошвы центрально нагруженного фундамента:

А = NoII / (R-γmII · d), (6.1)

где NoII - расчетная нагрузка по П группе предельных состояний, приложенная к обрезу фундамента (в уровне защемления колонны), кН; R - принятое расчетное сопротивление грунта основания, кПа; γmII - осредненное расчетное значение удельного веса грунта и материала фундамента, кН/м3, обычно принимаемое при наличии подвала 17 кН/м3, при отсутствии подвала - 20 кН/м3; d -глубина заложения фундамента, считая от планировочной отметки, м.


После нахождения площади подошвы размеры фундамента устанавливаются:

- в случае квадратной подошвы ;

- в случае прямоугольной подошвы ,

где η - коэффициент отношения размеров большей стороны l к ширине b: .

Для ленточного (непрерывного) фундамента b=A/l, т.е. ширина численно равна площади подошвы, если используемая расчетная нагрузка приходится l = 1 м длины фундамента.

Найденные размеры подошвы фундамента округляют с учетом принятой модульности и унификации элементов конструкций, конструируют и рассчитывают фундамент на прочность. По принятым размерам фундамента определяют его объем Vf и вес NfII = Vf γb, где γb - удельный вес материала, кН/м3, из которого будет изготовлен фундамент. Расчетный вес грунта над уступами фундамента находят из выражения:

, (6.2)

где γ’II - удельный вес грунта обратной засыпки кН/м3.

Размеры подошвы фундамента должны быть проверены исходя из условия

; (6.3)

где pII - среднее давление под подошвой фундамента, кПа; NfII и NsII - расчетные веса фундамента и грунта на уступах фундамента, кН; l и b - принятые размеры площади подошвы фундамента, м; R - расчетное сопротивление грунта основания, кПа.

 

При наличии действия момента и поперечной силы в уровне защемления колонны расчет размеров подошвы определяется как для внецентренно нагруженного фундамента.

Когда равнодействующая внешних сил какой-либо расчетной комбинации нагружения не проходит через центр тяжести площади подошвы фундамента, тоже размеры подошвы определяют как внецентренно нагруженного элемента.

Расчет внецентренно нагруженного фундамента целесообразно производить в два этапа. Вначале такой фундамент рассчитывается как центрально нагруженный по методике, изложенной выше, включая проверку по условию (6.3). Полученное значение площади подошвы иногда увеличивают на 10...20% и более в зависимости от эксцентриситета внешних сил. Затем последовательным приближением добиваются удовлетворения следующих условий:

для максимального краевого давления при эксцентриситете относительно одной главной оси инерции подошвы фундамента

; (6.4)

для максимального давления под углом фундамента

. (6.5)

Рекомендуется также не допускать отрыва подошвы фундамента от грунта. Это достигается соблюдением условия

. (6.6)

 

В случае возникновения момента от кранов грузоподъемностью более 500 кН рекомендуется выполнять условие

. (6.7)

В общем случае, если момент действует относительно обеих главных осей инерции


(рис. 6.1), краевое давление

, (6.8)

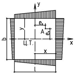
где NII - вертикальная расчетная нагрузка в уровне подошвы фундамента, кН; А - площадь подошвы фундамента, м2; MxII и MyII – моменты от данного сочетания расчетных нагрузок относительно соответствующих главных осей инерции площади подошвы фундамента, кН·м; Ix и Iy - моменты инерции площади подошвы фундамента относительно осей x и у, м4. Остaльныe обозначения даны на рис.6.1.

 

Рис.6.1. Схема подошвы и эпюры давлений по краям подошвы внецентренно нагруженного фундамента

Значение NII представляет собой полную нагрузку на основание, т.е.

NII = NoII+ NfII+ NsII, (6.9)

где NoII - расчетная нагрузка в сечении на отметке поверхности грунта при расчете по II группе предельных состояний, кН; NfII – расчетный вес фундамента, кН; NsII - расчетный вес грунта на уступах фундамента, кН.

Применительно к прямоугольной площади подошвы фундамента формула (4.8) приводится к виду

. (6.10)

Эксцентриситеты еx и еy, м, определяют по формулам:

и . (6.11)

В случае, когда момент действует только относительно одной главной оси инерции, что бывает достаточно часто, формула (4.10) принимает вид

, (6.12)

где е - эксцентриситет равнодействующей относительно центра тяжести площади подошвы фундамента, м;

 

е = МII/NII; (6.13)

l - размер подошвы фундамента (больший) в плоскости действия момента, м.

Проверку давления под кpaeм или углом фундамента обычно производят для двух комбинаций загружения: для максимальной нормальной силы NmaxII с соответствующим ей МII и максимального абсолютного значения момента MmaxII с соответствующей силой NII. Надо стремиться, чтобы от постоянных и длительных временных нагрузок давление было по возможности равномерно распределено по подошве, чтобы исключить развитие недопустимого крена.

Пример расчета подошвы отдельно-стоящего фундаментаприведен в Приложении III.

 

 







Date: 2015-05-22; view: 820; Нарушение авторских прав



mydocx.ru - 2015-2026 year. (1.059 sec.) Все материалы представленные на сайте исключительно с целью ознакомления читателями и не преследуют коммерческих целей или нарушение авторских прав - Пожаловаться на публикацию