Главная Случайная страница


Полезное:

Как сделать разговор полезным и приятным Как сделать объемную звезду своими руками Как сделать то, что делать не хочется? Как сделать погремушку Как сделать так чтобы женщины сами знакомились с вами Как сделать идею коммерческой Как сделать хорошую растяжку ног? Как сделать наш разум здоровым? Как сделать, чтобы люди обманывали меньше Вопрос 4. Как сделать так, чтобы вас уважали и ценили? Как сделать лучше себе и другим людям Как сделать свидание интересным?


Категории:

АрхитектураАстрономияБиологияГеографияГеологияИнформатикаИскусствоИсторияКулинарияКультураМаркетингМатематикаМедицинаМенеджментОхрана трудаПравоПроизводствоПсихологияРелигияСоциологияСпортТехникаФизикаФилософияХимияЭкологияЭкономикаЭлектроника






Контрольной работы





 

Целью курсовой работы является закрепление теоретического материала по второму разделу курса ЭТП и МЭ и приобретению навыков анализа ЦИМС и составления топологии гибридных ИМС.

 

Содержание курсовой работы

 

Курсовая работа состоит из введения, двух основных разделов и заключения.

Во введении необходимо кратко описать преимущества РЭА с использованием в качестве элементной базы интегральных микросхем.

Первый раздел - электрический расчет цифровой схемы. Для трех комбинаций входных сигналов составить таблицу состояний всех активных элементов и провести электрический расчет, а именно:

- оценить потенциалы в точках, указанных на схеме (А, В, С и т. д.);

- рассчитать все токи схемы и указать их направления;

- рассчитать мощности, которые рассеиваются на резисторах, и мощности потребляемой всей схемой.

Результаты расчетов свести в таблицы. Примеры расчетов и таблиц будут даны ниже.

Второй раздел - разработка топологии ИМС для выше приведенной схемы.

Разработка топологии включает в себя следующие операции:

-выбор материала для пленочных резисторов согласно варианта;

-расчет размеров всех резисторов;

-выбор материала для проводников и контактных площадок;

-расчет площади, занимаемой активными и пассивными элементами схемы;

-определение и выбор размеров подложки;

-составление топологического чертежа.

Топологический чертеж должен быть выполнен в масштабе 10:1 или 20:1.

В заключении привести краткие выводы о проделанной работе.

Указания к выполнению первого раздела

 

Варианты принципиальных схем приведены на рисунке 1, а комбинации входных сигналов, для которых необходимо провести анализ, даны в таблице 2.

 

 

Таблица 2 - Комбинации входных сигналов.

Последняя цифра номера студенческого Значения входных сигналов Последняя цифра номера студенческого Значения входных сигналов
билета Входы билета Входы
                 
                   
                   
                   
                   
                   
                   
                   
                   
                   
                   
                   
                   
                   
                   
                   

 

Для успешного решения задачи необходимо сначала изучить принципы работы транзисторных ключей [4, с. 244-262] и логических элементов на биполярных транзисторах [1, с. 260-273], [2, с. 74-106], и [3, с. 264-268, 284-286] и [4, с. 348-363]. При решении задачи нужно учесть, что интегральные схемы ТТЛ изготавливаются из кремния. Транзисторы работают в режиме ключа. Эти обстоятельства позволяют использовать упрощенные модели вольт-амперных характеристик (ВАХ) диодов и

транзисторов для расчетов токов и напряжений.

 

 

 

 

 

 

 

Рисунок 1- Варианты схем к курсовому проектированию. Цифра в кружочке означает последнюю цифру номера студенческого билета.

 

 


Приведем словесные формулировки этих моделей.

Упрощенная модель ВАХ кремниевого p-n перехода (диода):

если напряжение на p-n обратное или прямое, но не превышает значения U*, то ток через p-n переход считается равным нулю;

если через p-n переход протекает прямой ток, то напряжение на диоде принимаем равным U*=0,7 В.


Упрощенная модель кремниевого биполярного транзистора:

если на каждом из двух p-n переходов транзистора действуют прямые напряжения, не превышающие значения U*, либо обратные напряжения, то транзистор закрыт и все токи считаются равными нулю;

если через эмиттерный переход протекает прямой ток, то напряжение база-эмиттер равно U*=0,7 B, транзистор открыт и может находиться в одном из двух режимов: активном или насыщения; для уточнения режима вычисляют ток базы IБ, произведение В*IБ и максимально возможное значение тока коллектора насыщенного транзистора IКН, затем проводят сравнение:

если В*IБ <IKH, то режим активный,

если В*IБ>IКН, то режим насыщения;

ток коллектора в активном режиме не зависит от напряжения на переходе коллектор-база и равен IК =B*IБ;

напряжение на переходе коллектор-база в режиме насыщения равно 0,6 В, тогда напряжение коллектор-эмиттер равно 0,1 В.

Следовательно, при выполнении расчетов принимаем:

U0=0,1 B, U1>3 В, падение напряжения на диоде и эмиттерном переходе при прямом включении равно 0,7 В, коэффициент передачи тока базы В=50, инверсный коэффициент передачи тока базы ВI=0,05.

 

Пример анализа схемы логического элемента

 

Задана схема логического элемента, показанного на рисунке 2.

Значения сопротивлений и напряжение питания указаны на схеме. В виде прямоугольника показан следующий логический элемент, вход которого является нагрузкой для нашего логического элемента. Требуется провести расчет токов через резисторы и выходного напряжения для двух комбинаций входных сигналов ²1100² и ²1111²,а также описать принцип действия и составить таблицу истинности.

Проведем расчет для комбинации входных сигналов ²1100², т.е. согласно принятым значениям UВХ1=UВХ2=U1>3 В, а UВХ3=UВХ4=U0=0,1 В.

Значения сопротивлений и напряжение питания указаны на схеме. В виде прямоугольника показан следующий логический элемент, вход которого является нагрузкой для нашего логического элемента.

Значения сопротивлений и напряжение питания указаны на схеме. В виде прямоугольника показан следующий логический элемент, вход которого является нагрузкой для нашего логического элемента.

Рисунок 2 - Принципиальная схема логического элемента.

 

Значения сопротивлений и напряжение питания указаны на схеме. В виде прямоугольника показан следующий логический элемент, вход которого является нагрузкой для нашего логического элемента. Требуется провести расчет токов через резисторы и выходного напряжения для двух комбинаций входных сигналов ²1100² и ²1111²,а также описать принцип действия и составить таблицу истинности.

Проведем расчет для комбинации входных сигналов ²1100², т.е. согласно принятым значениям UВХ1=UВХ2=U1>3 В, а UВХ3=UВХ4=U0=0,1 В.

Определим величину тока через резистор R1. Рассмотрим все возможные пути, по которым может протекать этот ток. В схеме только один источник напряжения - источник питания +5 В. Поэтому все постоянные токи в схеме могут протекать только в одном направлении от шины +5 В к общей шине.

На рисунке 3 выделена часть схемы, по которой может протекать ток, идущий через R1 (ток I1). Ток I1 протекает от шины +5 В через R1 и далее может течь от базы транзистора VT1 налево через эмиттерные переходы, источники сигнала на общую шину или направо через коллекторный переход, диод и эмиттерный переход транзистора VT2 к общей шине.


Предположим, что ток протекает через переходы Б-Э3 и Б-Э4 транзистора VT1, то напряжения на этих переходах одинаковы и, согласно предложенной выше модели равны 0,7 В. Следовательно потенциал базы транзистора VT1 (точка А) равен 0,8 В.

 

Рисунок 3 - Частичная схема для расчета тока I1 при комбинации входных сигналов ²1100².

 

Предположим, что ток протекает через переходы Б-Э3 и Б-Э4 транзистора VT1, то напряжения на этих переходах одинаковы и, согласно предложенной выше модели равны 0,7 В. Следовательно потенциал базы транзистора VT1 (точка А) равен UА=U0+UБЭ=0,1+0,7=0,8 В. Заметим, что переходы база-эмиттер Б-Э1 и Б-Э2 находятся под обратным напряжением, так как потенциал базы

(р-область) ниже, чем потенциал эмиттеров (n-области) на величину

0,8-3=-2,2 В. Поэтому через эти переходы протекает только обратный ток.

Ток правой ветви при этом будет отсутствовать, так как для того чтобы он протекал в точке А требуется потенциал равный

UБК1+UVD1+UБЭ2=0,6+0,7+0,7 =2 В.

Следовательно транзистор VT2 будет закрыт. Находим ток I1.

I1=(E-UA)/R1=(5-0,8)/8*103=0,525 мА.

Рассчитаем величины токов I2 и I3, протекающих через резисторы R2 и R3.Выделим отдельно ту часть схемы по которой протекают указанные токи (рисунок 4). Закрытый транзистор VT2 показан пунктиром. Тогда через резистор R2 протекает ток базы транзистора VT3, транзистор открыт и напряжение на базе этого транзистора будет равно UБ3=0,7 В. Находим ток I2 =IБ3.

I2=(E-UБ3)/R2=(5-0,7)/4*103=1,075 мА.

Предположим, что транзистор VT3 находится в режиме насыщения.

По условию напряжение открытого транзистора UКЭ3=UВЫХ=0,1 В, тогда

I3=(E-UКЭ3)/R3=(5-0,1)/1*103=4,9 мА.

 

Рисунок 4 - Частичная схема для определения токов токов I2 и I3 при комбинации входных сигналов ²1100².

 

Низкое напряжение на коллекторе транзистора VT3 соответствует логическому ²0² на выходе схемы. Через коллектор транзистора VT3 протекает ток

IК3=I3+IВЫХ=4,9+1=5,9 мА.

Сравним токи IБ3*B и IК3.

IБ3*В=1,075*50=53,75 мА.

Так как IБ3*B>IК3, то действительно транзистор находится в режиме насыщения.

Проведем теперь расчет для комбинации входных сигналов ²1111², т. е. для случая, когда на все четыре входа подано высокое напряжение соответствующие логической единице.

UВХ1=UВХ2=UВХ3=UВХ4>3 B.

Покажем на схеме рис. 5 как будут при этом распределятся токи и потенциалы.

Прежде всего отметим, что потенциал в точке А на базе транзистора VT1 будет равен

UA=UБК1+UVD1+UБЭ2=0,6+0,7+0,7=2 B


 

так как между данной точкой и общей шиной включено последовательно три p-n перехода: база-коллектор VT1, диод VD1 и база-эмиттер VT2. Так как все четыре эмиттера транзистора VT1 находятся под более высоким потенциалом, чем база, то все четыре эмиттерных перехода закрыты

и ток от точки А потечет по правой ветви. Тогда ток I1 равен

 

I1=(E-UА)/ R1=(5-2)/8*103=0,375 мА.

Прежде всего отметим, что потенциал в точке А на базе транзистора VT1 будет равен

UA=UБК1+UVD1+UБЭ2=0,6+0,7+0,7=2 B,

 

Рисунок 5 - Схема для расчета токов I1, I2 и I3 при комбинации входных сигналов ²1111².

 

так как между данной точкой и общей шиной включено последовательно три

p-n перехода: база-коллектор VT1, диод VD1 и база-эмиттер VT2. Все четыре эмиттера транзистора VT1 находятся под более высоким потенциалом, чем база, поэтому все четыре эмиттерных перехода закрыты и ток от точки А потечет по правой ветви. Тогда ток I1 равен

I1=(E-UА)/ R1=(5-2)/8*103=0,375 мА.

Через входные эмиттерные переходы протекают обратные токи. Вычислим эти токи, умножая ток базы VT1 (I1 ) на инверсный коэффициент передачи тока В1:

IЭ1=IЭ2=IЭ3=IЭ4=I1*BI=0,375*0,05=0,01775 мА.

В транзистор VT1 втекают пять токов IЭ1,IЭ2,IЭ3,IЭ4 и I1, а вытекает через коллекторный переход и попадает в базу транзистора VT2 только один ток IБ2.

Исходя из этих соображений вычисляем ток базы VT2:

IБ2=IЭ1+IЭ2+IЭ3+IЭ4+I1=0,446 мA.

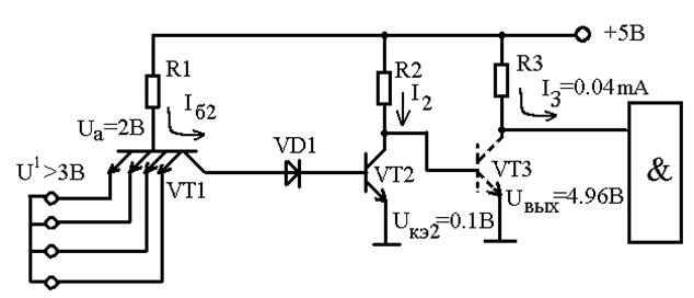
Предполагая, что транзистор VT2 находится в режиме насыщения и проделав выше приведенные выкладки, получаем, что это действительно так. Тогда напряжение UКЭ2=UБЭ3=0,1 В. Следовательно, транзистор VT3 закрыт и ток его коллектора равен нулю.

При этом через резистор R3 протекает только входной ток логического элемента нагрузки, равный по условию I3=0,04 мА. Тогда напряжение на выходе будет равно

UВЫХ=E - I3*R3=5 - 0,04*10-3*103=4,96 B.

Полученное напряжение UВЫХ близко к напряжению питания и соответствует уровню логической единицы.

Рассчитаем мощности, потребляемые микросхемой для каждой

комбинации. Расчет произведем по формуле

P=E*(I1+I2+I3).

Для первой комбинации Р=5*(0,525+1,075+4,9)10-3=32,5 мВт.

Для второй комбинации Р=5*(0,375+1,225+0,04)10-3=8,2 мВт.

Результаты расчетов занесем в таблицу 3.

 

Таблица 3-Значения токов и мощностей, полученных в результате расчетов.

Входная комбинация Токи, мА Потребляемая
Вх 1 Вх 2 Вх 3 Вх 4 I1 I2 I3 мощность, мВт
        0,525 1,075 4,9 32,5
        0,375 1,225 0,04 8,2

 

Для расчета размеров резисторов, которые будем определять ниже, выделим каждый из токов, имеющих максимальное значение, и запишем в таблицу 4. Затем вычислим мощности, рассеиваемые на резисторах, по формуле

PRi=I2i*Ri

и результаты также занесем в таблицу 4.

 

 

Таблица 4 - Максимальные мощности резисторов.

Максимальный ток, мА Мощность резистора, мВт
I1 I2 I3 PR1 PR2 PR3
0,525 1,225 4,9 2,2    

 

Составим таблицу истинности. В схеме 4 входа, поэтому возможны всего 24=16 комбинаций входных сигналов. Пронумеруем эти комбинации числами от 0 до15 и запишем в таблицу 5.

Помня о том, что логической единице на входе соответствует уровень не менее 3 В, а логическому нулю 0,1 В, проанализируем работу схемы. С разу же поставим символ ² 0 ² в строке для комбинации ²1100² и ²1² для комбинации ²1111², так как анализ для этих случаев уже проведен.

Заметим, что выходное напряжение будет иметь низкий уровень (логический нуль) во всех случаях, когда транзистор VT3 открыт, т. е. находится в режиме насыщения. Это имеет место, если транзистор VT2 закрыт, а это, в свою очередь, произойдет только тогда, когда ток I1 будет протекать влево через один или несколько эмиттеров транзистора VT1. Таким образом, всем входным комбинациям, имеющим хотя бы один нуль, выходной сигнал соответствует логическому нулю.

 

 

Таблица 5 - Таблица истинности для схемы, изображенной на рисунке 2.

Номер Входн. комбин.   Номер Входн. комбин.  
комбинац Входы Вых комбинац Входы Вых.
                       
                       
                       
                       
                       
                       
                       
                       
                       

 

 

Таким образом, всем входным комбинациям, имеющим хотя бы один нуль, выходной сигнал соответствует логическому нулю.

 

Указания к выполнению второго раздела

 

Для выполнения этого раздела следует изучить материал по гибридным ИМС [ 2, стр.148-204 ] и [ 3,стр. 186-191 и 239-244].

Первым этапом является расчет размеров пассивных элементов т. е. резисторов.

Второй этап - расчет площади, занимаемой пассивными и активными элементами, и выбор подложки.

На третьем этапе решения задачи заданную электрическую схему необходимо преобразовать таким образом, чтобы все внешние выводы находились на краю длинной стороны подложки и были исключены все пересечения пленочных проводников. Последнее условие выполняют, заменяя взаимные пересечения пленочных проводников пересечением пленки и выводов навесных бескорпусных диодов и транзисторов.

Общими принципами составления топологического чертежа являются минимизация длины межэлементных соединений; минимизация площади, занимаемой элементами; равномерное расположение элементов по площади подложки.

Эскиз топологии должен быть выполнен на миллиметровой бумаге в масштабе 10:1 или 20:1.

При составлении топологического чертежа необходимо учитывать следующие основные ограничения, накладываемые тонкопленочной технологией:

- пассивные и активные элементы располагаются на расстоянии не менее

1 мм от края подложки;

- входные и выходные контакты располагаются вдоль длинных сторон подложки на расстоянии не менее 1 мм от края;

- навесные элементы (компоненты) устанавливаются в специально отведенные места на расстоянии не менее 0,5 мм от пленочных элементов и не менее 0,6 мм от контактных площадок; минимальное расстояние между навесными компонентами 0,3 мм;

- длина проволочных выводов навесных компонентов должна находиться в пределах от 1 до 5 мм;

минимально допустимое расстояние между пленочными элементами (в том числе и контактными площадками) 0,2 мм;

- размеры пленочных резисторов должны быть кратными 0,05 мм;

- минимальная длина резистора lmin не менее 0,5 мм;

- минимальная ширина резистора bmin не менее 0,2 мм;

- минимально допустимая ширина проводников 0,1 мм

- минимально допустимые размеры контактных площадок для припайки внешних выводов 0,4х0,4 мм, а для приварки навесных элементов 0,2х0,25 мм.

 

Пример выполнения топологии ГИМС

 

Размер и конфигурация пленочных резисторов находится по заданным номиналам резисторов Ri, удельному поверхностному сопротивлению пленки Rs, выбранному из таблицы 6, и мощности, рассеиваемой на резисторе (таблица 4).

Для определения размеров резисторов находим их коэффициент формы

Кфi= Ri/Rs

Для примера возьмем материал нихром с удельным поверхостным сопротивлением RS=400 Ом/квадрат.

Результаты заносим в таблицу 7.

Расчет длины резистора проводим по формуле

 

Таблица 6 - Характеристика материалов пленочных резисторов.

Предпоследняя цифра номера студенческого билета   Материал   RS, Ом/квадр.   Р0, мВт/мм2
  Нихром    
  Сплав МЛТ-3    
  Нитрид тантала    
  Сплав РС-3001    
  Сплав РС-3710    
  Нихром    
  Сплав МЛТ-3    
  Нитрид тантала    
  Сплав РС-3001    
  Сплав РС-3710    

 

Ширина резистора определяется как

bi=li/KФi

Результаты расчетов заносим в первую строку таблицы 7.

 

 

Таблица 7 - Размеры пленочных резисторов.

  R1 R2 R3
  KФ1 l1, мм b1, мм KФ2 l2, мм b2, мм KФ3 l3, мм b3, мм
Рассчетн.     1,48 0,07   1,73 0,17 2,5 1,73 0,692
Оконча-тельное значение     4,0   0,2     2,0   0,2   2,5   1,75   0,7

 

Так как ширина резисторов b1 и b2 получилась менее 0,2 мм, то принимаем их ширину равной 0,2 мм и пересчитываем их длину. Длину резистора l3 округляем до 1,75 мм и пересчитываем его ширину. Новые результаты заносим во вторую строку таблицы 7.

Конфигурация всех типов пленочных резисторов в зависимости от их коэффициента формы приведены на рисунке 6.

Определим площадь, занимаемую резисторами,

SR=SR1+SR2+SR3=0,8+0,4+1,225=2,425 мм2.

Навесные элементы с указанием их размеров приведены на рисунке 7.

Площадь, занимаемая навесными элементами схемы равна

S=SVT1+SVT2+SVT3+SVD1=4+1+1+1=7 мм2.

Общая площадь, занимаемая пленочными резисторами и навесными элементами, равна 9,425 мм2.

Учитывая площадь соединений, промежутки между элементами ИМС и расстояние от края подложки, следует увеличить суммарную площадь подложки в 4-5 раз, т. е. её площадь должна составить не менее 50 мм2. Из таблицы 8 выбираем подложку с размерами 10х10 мм.

 

Таблица 8 - Рекомендуемые размеры подложек для гибридных ИМС.

Длина, мм                
Ширина, мм                

 

Составляем топологический чертеж ИМС, размещая рассчитанные элементы на поле подложки (рисунок 8).

Рисунок 6 - Конфигурации пленочных резисторов.

 

 

Рисунок 7 - Конструкции навесных элементов: а) трехэмиттерный, б) двух-

эмиттерный, в) одноэмиттерный: биполярные транзисторы; г) диод.

Рисунок 8 - Чертеж топологии ГИМС.


СОДЕРЖАНИЕ

 

стр.

Введение........................................................................................... 3

Методические указания по дисциплине электронные

твердотельные приборы и микроэлектроника, ч. 2......................... 4

Основы схемотехники цифровых устройств.................................... 4

Аналоговые электронные устройства............................................... 6

Технологические основы микроэлектроники................................... 8

Большие и сверхбольшие интегральные схемы............................. 11

Функциональная электроника......................................................... 12

Содержание лекций......................................................................... 13

Перечень лабораторных работ........................................................ 13

Общие замечания к выполнению курсовой работы....................... 14

Методические указания к выполнению курсовой работы............. 15

Св. План 1999, поз.

 

 

Валерий Леонидович Савиных

 

 

Курсовое проектирование

по дисциплине ЭТП и МЭ

ч. 2

 

(методические указания).

 

Редактор доцент Удальцов А.Н.

Корректор

 

Лицензия №020475, январь 1998 г. Подписано в печать

Формат бумаги 62 84 1/16

Бумага писчая № 1. Уч. изд. л. Тираж 400 экз.

Заказ №

Типография СибГУТИ, 630102, г. Новосибирск, ул. Кирова, 86.

 







Date: 2015-05-22; view: 805; Нарушение авторских прав



mydocx.ru - 2015-2026 year. (0.817 sec.) Все материалы представленные на сайте исключительно с целью ознакомления читателями и не преследуют коммерческих целей или нарушение авторских прав - Пожаловаться на публикацию