Главная Случайная страница


Полезное:

Как сделать разговор полезным и приятным Как сделать объемную звезду своими руками Как сделать то, что делать не хочется? Как сделать погремушку Как сделать так чтобы женщины сами знакомились с вами Как сделать идею коммерческой Как сделать хорошую растяжку ног? Как сделать наш разум здоровым? Как сделать, чтобы люди обманывали меньше Вопрос 4. Как сделать так, чтобы вас уважали и ценили? Как сделать лучше себе и другим людям Как сделать свидание интересным?


Категории:

АрхитектураАстрономияБиологияГеографияГеологияИнформатикаИскусствоИсторияКулинарияКультураМаркетингМатематикаМедицинаМенеджментОхрана трудаПравоПроизводствоПсихологияРелигияСоциологияСпортТехникаФизикаФилософияХимияЭкологияЭкономикаЭлектроника






I) Найти Umout на средних частотах(СЧ)





I)

Дано:

(Самый тяжелый реж. работы) Справочные величины:

1)

 

2)

 

3)

 


 

II)

Дано:

Справочные величины:

1)

Проверка не ушел ли ток за справочные пределы:

2)

3)

III)

На выходе диодного моста пульсации в

Каковы пульсации на выходе стабилизатора?

IV) На сколько изменится выходное напряжение стабилизатора, при изменении входного на:

V)

Термостабильная схема

Дано:

Справочные величины:

 

1)

Проверка не ушел ли ток за справочные пределы:

 

2)

3)

 

 

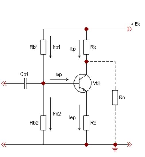
Расчет ИРТ и оценка усилителя.

Дано:

Справочные величины:

(упрощение)

Константы:

(все равно не учитывается)

 

 

 

 



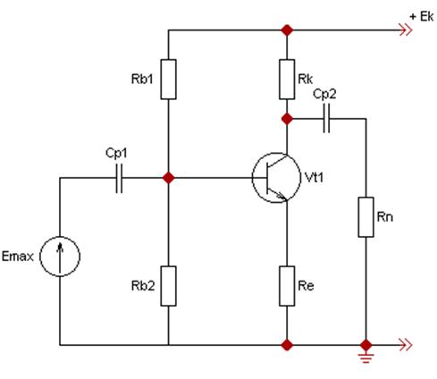
Расчет усилит. каскада по схеме ОЭ

Дано:

Справоочные величины:

Константы:

1)

(Запас на уменьшение

)

Если после расчета не удовлетворяет поставленным условиям, то необходимо уменьшить

2) (Во сколько раз ток через резистивный делитель > тока базы)


(Ориентировочно)

 

3)


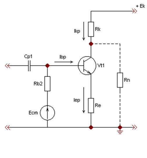
Частотные характеристики усилителя. Схема с ОЭ.

 

Дано:

Справочные величины:

I) Найти Umout на средних частотах(СЧ)

a) не учитывая Rg

 

b) если Rg=1000, но с разделительным конденсатором

c) если Rg=1000, без разделительного конденсатора

 







Date: 2015-05-09; view: 521; Нарушение авторских прав



mydocx.ru - 2015-2026 year. (1.088 sec.) Все материалы представленные на сайте исключительно с целью ознакомления читателями и не преследуют коммерческих целей или нарушение авторских прав - Пожаловаться на публикацию