Главная Случайная страница


Полезное:

Как сделать разговор полезным и приятным Как сделать объемную звезду своими руками Как сделать то, что делать не хочется? Как сделать погремушку Как сделать так чтобы женщины сами знакомились с вами Как сделать идею коммерческой Как сделать хорошую растяжку ног? Как сделать наш разум здоровым? Как сделать, чтобы люди обманывали меньше Вопрос 4. Как сделать так, чтобы вас уважали и ценили? Как сделать лучше себе и другим людям Как сделать свидание интересным?


Категории:

АрхитектураАстрономияБиологияГеографияГеологияИнформатикаИскусствоИсторияКулинарияКультураМаркетингМатематикаМедицинаМенеджментОхрана трудаПравоПроизводствоПсихологияРелигияСоциологияСпортТехникаФизикаФилософияХимияЭкологияЭкономикаЭлектроника






СИЛЛАБУС 5 page





Талғағыш күшейткіштің күшейту коэффициентінің жиілікке шұғыл тәуелділігін осы күшейткіштің өзіне немесе оның керіс байланыс тізбегіне арнаулы RC немесе LC фильтрлерді қосу арқылы қамтамасыз етуге болады.

RC фильтрлі талғағыш күшейткіштер төменгі жиіліктер ауқымында қолданылады, операциялық микросұлбалық күшейткіштерді пайдаланып құруға болады.

LC фильтрлі (резонанстық контур) талғағыш күшейткіштер негізінде жоғары жиіліктер ауқымында қолданылады, оларды биполярлық немесе өрістік транзисторларды пайдаланып құру тиімді болады. LC фильтрлі талғағыш күшейткіштерді резонанстық күшейткіштер деп те атайды.

Қос Т-тәріздес көпірдің -кері байланыс коэффициентінің жиілікке қаншалықты шұғыл тәуелді екендігіне көз жеткізейік. Ол үшін жиіліктің ең төменгі, ең жоғарғы мәндерін және RC фильтрдің резонанстық жиілігінің мәніне жеке-жеке тоқталайық:

1) егер жиіліктің мәні өте төмен болса, онда болады да, шығыс сигналы RC фильтр арқылы сол күйінде кіріске беріледі. Оның себебі, өте төменгі жиілік үшін конденсатордың кедергісі өте үлен болатындықтан шығыс кернеуінің барлығы Т-тәріздес RC фильтрдің жоғарғы бөлігі () арқылы кері байланыс кернеуі ретінде кіріске беріледі;

2) егер жиіліктің мәні өте жоғары болса, онда болатындықтан шығыс сигналы тағы да RC фильтр арқылы сол күйінде кіріске беріледі. Оның себебі, өте төменгі жиілік үшін конденсатордың кедергісі өте аз болатындықтан, шығыс кернеуінің барлығы Т-тәріздес RC фильтрдің төменгі бөлігі () арқылы кері байланыс кернеуі ретінде кіріске беріледі;

3) қос Т-тәріздес RC фильтрдің резонанстық жиілігі үшін болатындықтан, кіріске кері байланыс арқылы берілетін кернеудің қорытқы мәні нөлге тең болады. Оның себебі, қос Т-тәріздес RC фильтрдің жоғарғы және төменгі бөліктерінің кері беретін кернеулерінің амплитудалары модулі бойынша бірдей шамада, ал фазалары бойынша қарама-қарсы келеді. Сондықтан олар өзара компенсацияланып, қорытқы мәні болады. Қос Т-тәріздес RC фильтрдің кері байланысының жиілікке тәуелділігінің сипаттамасы 9.3-суретте көрсетілген. Теріс кері байланыс тізбегі ретінде қос Т-тәріздес көпірді (RC фильтр) пайдаланған талғағыш күшейткіштің (9.1-сурет) күшейту коэффициенті жалпы жағдайда кері байланыс тізбегінің параметрі арқылы анықталады:

, (1)

мұндағы -комплекстік кері байланыс коэффициенті.

       
   
 
 

 


 

 

3-сурет 4-сурет

Бұл өрнекке жиіліктің және мәндері үшін талдау жасайтын болсақ, онда

, (2)

ал резонанстық жиілігі үшін:

. (3)

Теріс кері байланыс тізбегі ретінде қос Т-тәріздес көпірді (RC фильтр) пайдаланған талғағыш күшейткіштің (2-сурет) амплитуда-жиіліктік сипаттамасының графигі (1) өрнегі арқылы салынған. Мұндағы 1 графигі күшейткіштің кері байланыс көпірі жоқ кезіндегі, ал 2 графигі кері байланыс көпірі қосылған кездегі сипаттамасын көрсетеді. Талғағыш күшейткіштің резонанстық жиілігіне қатысты жиілік ауқымы, оның күшейту коэффициентінің мәніне сәйкес анықталады. Талғау сипаттамасы жоғары талғағыш күшейткіш үшін қатынасы орындалады. Талғағыш күшейткіштің интегралдаушы-дифференциалдаушы кері байланысты () түрінің сұлбасы 9.4-суретте көрсетілген. Бұл күшейткіштің күшейту коэффициентінің максималь мәніне сәйкес келетін резонанстық жиілігі:


, (4)

күшейту коэффициенті:

, (5)

ал, өткізу жолағы:

. (6)

 

(5) және (6) өрнектерінен талғағыш күшейткіштің параметрлері микросұлбалық операциалық күшейткіштің күшейту коэффициентіне ерекше тәуелді емес екендігі байқалады.

Негізгі әдебиет: [6]

Қосымша әдебиет: [ 1-3]

Бақылау сұрақтары:

1. Резонанстық күшейткіштер дегеніміз не?

2. Талғағыш күшейткіштер дегеніміз не?

Дәріс 15.

Тақырып: Тұрақты ток күшейткіштері

Қарастырылатын сұрақтар: тұрақты ток күшейткіштердің негізгі сипаттамалары,

Дәріс мазмұны: Көптеген автоматикалық құрылғыларда температура, қысым және механикалық кернеу сияқты физикалық шамаларды өлшеу, оларды баптау үшін электрондық күшейткіштерді пайдаланады. Бұл электрлік емес шамаларды алдымен баяу өзгеретін, жиілігі 1 Гц -ден аспайтын кернеуге немесе электірлік ток күшіне түрлендіреді. Мұндай баяу өзгеретін сигналдың амплитудасын трансформатормен ұлғайтуға немесе қарапайым төменгі жиілікті күшейткіштер арқылы күшейтуге келмейді. Ондай сигналды күшейтуге арналған, каскадтары өзара гальваникалық байланыста болатын күшейткіштер тұрақты ток күшейткіштері (ТТК) деп аталады.

Каскад аралық байланысы резистивті-сыйымдылықты күшейткіштер сияқты ТТК-нің сипаттамалары мына талаптарға сәйкес болу керек:

1) кірісіне сигнал берілмеген жағдайда шығысында сигнал болмау;

2) егер кіріс сигналының таңбасы өзгерсе, онда шығыс сигналының да таңбасы өзгеруі тиіс;

3) жүктеменің кернеуі кіріс кернеуіне пропорционал болу керек.

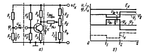
Байланысы резистивті-сыйымдылықты күшейткіштерден ТТК-нің ерекшелігі, мұнда жүктемелік резистор транзистордың коллекторы мен бөлгіштің орта нүтесінің аралығына жалғанған, ал кіріс кернеуі транзистордың базасы мен бөлгіштің орта нүтесінің аралығына берілген (1а-сурет).

Кіріске кернеу берілмеген кезде () бөлгіштердің орта нүктесінің потенциалдары және болса, онда кіріс тізбегінде және жүктемелік резисторда () ток болмайды. потенциометр (кедергісін өзгертуге болатын, яғни кедергісі айнымалы резистор) шығыс тізбегінің режімін дәлме-дәл баптауға арналған.

 
 
  а) ә)

 

 


 

1-сурет

Кіріске сигнал берген кезде кіріс тізбегінде ток пайда болады, транзистордың базасы мен коллекторының токтары өзгереді, нәтижесінде коллектордың кернеуі өзгеріп, жүктеме резисторы арқылы ток жүре бастайды. 1ә-сурет суретте көрсетілген күшейткіштің понециалдық диаграмасы кіріс сигналы жоқ кезде () шығыс кернеуі болмайтынын көрсетеді. Егер күшейткіштің кірісне сигнал берілсе, онда уақыт аралығында шығыс кернеуі , ал болған жағдайда, онда уақыт аралығында шығыс кернеуі болатынын көреміз.


Төмендегі 2-суретте кіріс және байланыс тізбектеріне СТ1, СТ2 стабилитрондар қосылған ТТК-нің сұлбасы және потенциалдық диграммасы көрсетілген. Мұндағы стабилитрондардың тұрақтанған кернеулері Т1 транзистордың коллекторы мен база тізбектерінің тұрақты кернеулерін компенсациялайды.

 
 
  а) ә)

 


2-сурет

Егер кіріс кернеуі жоқ болса, онда және болады, мұндағы -ток көзінің э.қ.к-і. Мұндай режімде температуралық тұрақтылық қатаң сақталады, транзистордың бастапқы жұмыс нүктесі оның сипаттамасының сызықты бөлігінің ортасынан ауытқымайды.

Күшейткіштің кірісіне теріс кернеуі берілген кезде ( уақыт мезетінде) Т1 транзистордың базасының потенциалы төмендейді, ал оның коллекторының потенциалы қаншалықты көтерілсе Т2 транзистордың базасының потенциалы да соншалықты көтеріледі.

Уақыт өтіміне қарай ТТК-нің транзисторларының электродтарының кернеулері мен ток күштері өздігінен өзгеріске ұшырауы мүмкін. Оны кернеудің немесе токтің нөлдік дрейфі деп атайды. Нөлдік дрейфтің әсерінен кернеудің тұрақты құрамаларының компенсациясы бұзылады, соның салдарынан кірісіне сигнал берілмеген жағдайда да күшейткіштің шығысында сигнал пайда болады.

Негізгі әдебиет: [4-6]

Қосымша әдебиет: [ 1-3]

Бақылау сұрақтары:

1. Нөлдік дрейф дегеніміз не?

2. Тұрақты ток күшейткіштер дегеніміз не?

 

4.МІНДЕТТІ ЖӘНЕ ҚОСЫМША ӘДЕБИЕТТЕР ТІЗІМІ

 

4.1 Міндетті әдебиеттер

1. Гусев В.Г., Гусев Ю.М. Электроника. – М.: Высшая школа. 1991.

2. Ибрагим К.Ф. Основы электронной техники. Схемы. Системы. – М.: Мир. 2001.

3. Лачин В.И., Савелов Н.С. Электроника. – М.: Ростов-на-Дону, «Феникс». 2001.


4. Осадчий Ю.Ф. Аналоговая и цифровая схемотехника. – М.: Прямая линия. 1999.

5. Прянишников В.А. Электроника: Курс лекций. – СПб.: Корона-принт. 1998.

6. Соклоф С. Аналоговые интегральные схемы: Пер. с англ. – М.: Мир. 1988.

 

4.2 Қосымша әдебиет

1. Климонтович Ю.Л. (ред.) Волновые и флуктуационные процессы в

лазерах. – М: Наука. – 1974. – 415 с.

2. Пантел Р., Путхор Г. Основы квантовой электроники. – М: Мир.

– 1972. – 384 с.

3. Хакен Г. Информация и самоорганизация. – М: Мир. – 1991. – 240 с.

4. Жанабаев З.Ж. Лекции по нелинейной физике. – Алматы: КазНУ.

1997. – 72 с.

 

 

5. Бақылау сұрақтары мен тарсырмалары

1. Қатты денелердегі заряд тасымалдау құбылысы туралы айтыңыз.

2. Металдардың түйісу құбылысы деген не?

3. Металдардан электронның шығу жұмысы деген не?

4. Металдардың түйісуінің сыртқы және ішкі потенциялдар айырмасы қалай пайда болады?

5. Вольтаның заңдарын айтыңыз.

6. Термоэлектрлік құбылыс деген не?

7. Пельтье құбылысы туралы не білесіз?

8. Шала өткізгіштердің электр өткізгіштігі туралы айтыңыз.

9. Меншікті өткізгіштік деген не?

10. Шала өткізгіштегі заряд тасымалдаушылардың диффузиялық және дрейфтік қозғалыстары туралы айтыңыз.

11. Қоспалы өткізгіштік деген не?

12. ауысудың потенциалдық тосқауылы қалай пайда болады?

13. ауысудғы электрлік тесіп өту немесе ауысудың тесілуі деп нені атайды?

14. Туннельдік эффект туралы айтыңыз.

15. Соққы иондау қандай жағдайда болады?

16. Жылулық тесіп өту қандай жағдайда болады?

17. Сыртқы беттік тесілу деген не?

18. ауысудың сыйымдылығы туралы айтыңыз.

19. Шала өткізгіш диод туралы айтыңыз.

20. Түзеткіш және детекторлеуші диодтардың ерекшелігі қандай?

21. Кернеуді тұрақтандырушы диодтар – стабилитрондардың жұмыс принципі?

22. Туннельдік диодтардың жұмыс принципі туралы айтыңыз.

23. Импульстік диодтардың жұмыс принципін түсіндіріңіз.

24. Шала өткізгіш диодтардың негізгі техникалық параметрлері туралы айтыңыз.

6. Білім алушылардың өзіндік жұмысына арналған материалдар

7.

БӨЖ – дидактикалық тапсырмаларды өз бетімен орындауға, танымдық қабілетті арттыруға және белгілі бір ғылым саласына байланысты білімін толықтыруға негізделген оқу процесінің ерекше бір түрі.

БӨЖ шығармашылық белсенділікті, логкалық ойлауды дамытуды қамтамасыз ететін практикалық тапсырмаларды жүзеге асырумен байланысты болып табылады.

БӨЖ материалдарының түрлері, келесі құжаттарды қамтиды:

· Типтік және жұмыс бағдарламаларының негізгі бөлімдеріне сай келетін тапсырмалар жүйесі

· Рефераттардың, баяндамалардың, шығармалышық жұмыстардың тақырыптары

· Негізгі және қосымша әдебитеттердің тізімі

· Кеңес түрлері

· Бақылау түрлері

· Бағалау критериялары, орындалатын жұмыстың көлемі және оны тапсыру уақыты т.ю.

БӨЖ-дің ұйымдастырылуы

· Жазбаша жұмыстарды дайындаумен (реферат, баяндама, бақылау тапсырмалары, глоссарий)

· Ғылыми жобаны өңдеумен

· Виртуалдық жұмыстарды іздестірумен (интернет жүйесі және локальды желі арқылы)

· Электрондық курстың материалын меңгерумен (компьютерлік жүйе арқылы)

Өзіндік жұмысты істеу кезінде білім алушыға қойылатын талаптар

· Мәтінмен жұмыс істей білу

· Білімді қарым қатынас жасауға бейімділік

· Өзіндік ұйымдастыру

· Жоғары білімділік пен ой өрістің кеңдігі

 

СӨЖ тапсырмалары Сағат саны
  Вакуумдық электроника, шала өткізгіш (қатты денелік) электроника    
  оптоэлектроника, кванттық электроника, наноэлектроника  
  Қатты денелердегі заряд тасымалдау құбылысы  
  Металл және шала өткізгіштің түйісу шекарасындағы зарядтардың тасымалдануы және түзету  
  Транзисторлардың тектері  
  Кернеуді тұрақтандырушы диодтар-стабилитрондар  
  Өрістік транзисторлар  
  Микрорезисторлар.  
  Интегералдық микросұлбалардың активті элементтері  
  Интегралдық МДШ транзисторлар  
  Интегралдық микродиодтар  
  Микроконденсаторлар  
  Ортақ эмиттерлі қарапайым күшейткіш  
  Талғағыш күшейткіштердің ерекшеліктері  
  Модуляцияланған айнымалы импульстік токтің детекторы  

 

 

7. Практикалық сабақтарды өткізудің әдістемелік нұсқаулары

Практикалық сабақтар мыналарға:

- теориялық материалдардан алған білімдерін нығайту үшін,

- электрондық құрылғылар мен электротехникалық есептерді шығару дағдыларын қалыптастыруға,

- электрондық құрылғылар мен электртехникалық әртүрлі клмпьютерлік бағдарламалармен модельдеуді қолдануды үйрену үшін

Практикалық жұмыстардың тақырыптары Сағат саны
  Сызықтық тізбектегі синусойдальдық токты есептеу.  
  Сызықтық тізбектегі синусойдальдық есем токты есептеу.  
  Күрделі тізбектерді есептеу әдістері.  
  Сызықты электр тізбектеріндегі ауыспалы процестер.  
  Трансформаторды есептеу.  
  Үш фазалы асинхронды электроқозғалтқышының сипаттамалық есептері  
  ELEKTRONICS WORKBENCH ортасы: қолданушының интерфейсі, бағдарламалық элементтер, электрондық қондырғыларды модельдеу.  
  Электр тізбектерін модельдеу  
  Диодтар мен тиристорларды модельдеу  
  Биполярлы транзистордың сипаттамаларын модельдеу  
  Өрістік транзистордың сипаттамалырн модельдеу  
  Биполярлы транзисторда айнымалы токтың күшейткіштерін модельдеу  
  Транзисторлы автогенераторды модельдеу  
  ОУ дағы мультивибраторды модельдеу  
  Логикалық сұлбаларды модельдеу Триггерлерді мрдельдеу  

8. СТУДЕНТТЕРДІҢ ОҚУ ЖЕТІСТІКТЕРІН БАҚЫЛАУ ЖӘНЕ БАҒАЛАУ МАТЕРИАЛДАРЫ







Date: 2015-05-09; view: 2137; Нарушение авторских прав



mydocx.ru - 2015-2026 year. (0.372 sec.) Все материалы представленные на сайте исключительно с целью ознакомления читателями и не преследуют коммерческих целей или нарушение авторских прав - Пожаловаться на публикацию