Главная Случайная страница


Полезное:

Как сделать разговор полезным и приятным Как сделать объемную звезду своими руками Как сделать то, что делать не хочется? Как сделать погремушку Как сделать так чтобы женщины сами знакомились с вами Как сделать идею коммерческой Как сделать хорошую растяжку ног? Как сделать наш разум здоровым? Как сделать, чтобы люди обманывали меньше Вопрос 4. Как сделать так, чтобы вас уважали и ценили? Как сделать лучше себе и другим людям Как сделать свидание интересным?


Категории:

АрхитектураАстрономияБиологияГеографияГеологияИнформатикаИскусствоИсторияКулинарияКультураМаркетингМатематикаМедицинаМенеджментОхрана трудаПравоПроизводствоПсихологияРелигияСоциологияСпортТехникаФизикаФилософияХимияЭкологияЭкономикаЭлектроника






Построения





Большая часть волоконно–оптических преобразователей неэлектрических величин (ВОПНВ) основана на модуляции (управлении) интенсивностью светового потока (СП). Основной недостаток этого типа ВОП, состоит в том, что случайные колебания в уровне интенсивности СП; не связанные с НВ, а зависящие например от линии связи (передачи СП) приводят к существенным погрешностям.

ВОП, основанные на модуляции интенсивности СП, делятся на:

– ВОП с внешней модуляцией СП (пассивные). Когда световой поток изменяется за счет внешнего устройства.

– ВОП с внутренней модуляцией (управлением), в которых измеряемая величина непосредственно влияет на параметры световода (тем самым изменяется интенсивность приходящего светового потока).

Пример конструктивного построения ВОП первого типа показан на рис.11.2

 

рис.4.1

Причем характеристики его следующие:

таблица 4.1

№ п/п Наименование параметров численные значения параметров
абсолютные значения относительн. % от диапазона
1. предел измерения   -
2. нелинейность 0,3 0,2
3. разрешающая способность 0,05 0,03
4. гистерезис 0,06 0,04
5. предел прочности s 0,15 0,1
6. контрастность -  

 

 

к рис. 11.1

1–подвижная решетка; 2–неподвижная решетка на стержневой линзе "Selfog";

3–входной волоконный световод ВСВ; 4–мембрана; 5–измеряемое р давление;

6–выходной волоконный световод ВСВ

 

К рис 11.2

ВОП на основе нарушения ПВО

1 – световод; 2 – корпус; 3 – капсула; 4 – прокладка; 5 – делитель; 6 – мембрана; 7 – призма.

 

 

Рис. 4.3 ВОП давления.

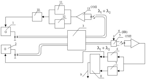
1, 2–источники света (СИД); 3–соединитель; 4–измеряемая величина; 5–голографический затворный модулятор; 6, 7–фазочувствительные детекторы; 8–; 9–выходной сигнал; 10–делитель лучей; 11, 12–фазочувствительные детекторы; 13–блок ОС по соотношению интенсивности двух волн.

 

Световой поток от двух ИИ длиной волны через крестообразный соединитель 3 подводится к голографическому затворному модулятору.

Этот ВОП (датчик) имеет следующие технические характеристики

предел измерения 0….7,5 кПа

гистерезис <75 Па

разрешающую способность <10 Па

нелинейность <50 Па

повторяемость показаний + 2 % (до + 1%)

Характеристики ВОП в значительной мере зависят от качества цены комплектующих элементов. Поэтому в последнее время большое внимание уделяется ответвителям направления, поляризаторам, модуляторам и др. элементам.

Ответвитель направления – волноводный элемент полусеребреянного зеркала для расщепления пучка лучей на два или комбинирования двух лучей в один.

Разработаны поляризаторы как на основе волоконно–оптических элементов, так и в интегральном исполнении.

Поляризатор преобразует неполяризованный световой луч в линейно поляризованный. В некоторых случаях на вход поляризатора подают луч, поляризованный в одном направлении, а получают лучи, поляризованные в ортогональных направлениях.

Поляризация в оптических волокнах осуществляются за счет изменения структуры световода. Таким образом, чтобы одна из поляризованных мод распространялась с большим замедлением чем другая.

Известно выполнение поляризатора в котором оболочка заменена двулучепреломляющим кристаллом. В интегральном оптическом модуляторе около границы раздела волноводных структур размещается металлическая пленка для образования разных потерь затухания колебаний для двух ортогональнополяризованных мод.

Для поддержания постоянного отношения интенсивностей двух длин волн на входе модулятора часть света отводится от соединителя 3 как сигнал ОС.

После модулятора оба СП с длиной волны – пройдя оптический путь детектирующего фотодиодом и разделяются фоточувствительным детектором 6 и 7 и выходной сигнал нормализуется по отношению к опорному лучу

4 – ИВ;

5 – голографический затвор с модулятором (смесителем);

6, 7, 11, 12 – фазочувствительность детектора;

8 – блок сравнения сигналов;

9 – выходной сигнал;

10 – делитель лучей;

13 – блок ОС;

рис. 4.4

Конструкция такого ВОП давления приведена на рис. 3.

Чувствительный элемент ВОП представляет собой сочетания стеклянной призмы 7 и прикрепленной к гипотенузной грани призмы стеклянную мембрану 6, разделенных кольцевой прокладкой толщиной около 1 м/см.

Отличительная особенность этого варианта ВОП давления состоит в том, что если зазор м/у стеклянной мембраной 6 и правой гранью призмы 7 примерно равен длине волны используемого СП, то весь СП поступающий ИИ, проходя по световодам 1, испытывает ПВО на правой грани призмы и попадает в ПИ. При подаче измеряемого давления мембрана 6 прогибается, зазор между правой гранью призмы и мембраны уменьшается, что приводит к частичному нарушению ПВО. В следствии этого изменяется световой поток, воспринимаемый ПИ.


Зависимость отраженного СП от прогиба мембраны представляет собой изменение отражательной способностью на границе двух оптических сред.

Глубина модуляции ОПИ зависит от конструктивных параметров ВОП давления.

(4.1)

 

где – величина шероховатости поверхности мембраны; – диаметр ВСВ;

а - диаметр пятна оптического контакта; – эмпирический коэффициент. – отражательная способность; –длина осевых лучей от ИИ до ПИ.

 

4.2.Основы теории волоконно–оптических датчиков

 

Для рефрактометрических (отраженных) волоконно–оптических датчиков (далее ВОП) используются чаще всего следующие основные способы получения измерительной информации (СП):

– Модуляция светового потока при аксиальном движении отражающей поверхности (первичные преобразователи перемещения, толщины уровня, расстояния).

– Модуляция СП при угловых перемещениях отражающих поверхностей (преобразователи давления, усилий, ускорений, устройство контроля геометрии и линейных размеров).

– Модуляция за счет ортогонального перемещения границ поверхности с различными отражающими свойствами (преобразователи ударных воздействий, числа оборотов, положения деталей в схвате робота).

– Модуляция СП при измерение поглощающих и рассеивающих свойств неподвижной поверхности.

Наиболее типичными являются две конструкции каналов ВОП ПП:

– Торцы излучающего и приемного каналов установлены под определенным углом друг к другу

– Торцы обоих каналов совмещены, то есть имеют общий торец, выполненных в виде зонда.

рис. 4.5

– Максимальная чувствительность в бесконтактном измерении аксиальных (по оси Z) перемещений имеют ВОП со случайным распределением приемных и излучающих СВ на общем торце. Это обуславливается тем, что все излучающие волокна участвуют в формировании информационного СП начиная с момента Z >0.

Однако это приводит к тому, что максимальное проявляемого при значениях Z существенно меньших чем в других конструкциях.

ВОП с каналом такого типа имеет максимальное рабочее расстояние 100–200 мкм и очень короткие квазилинейный участок ФП.

Максимальный квазилинейный участок ФП 1000–2000 мкм дают каналы с разделенными торцами. Средний по протяженности квазилинейного участка ФП имеют ВОП с коаксиальными каналами.

Рассмотренные конструкции не позволяют установить больше 3-5 мм. Поэтому для расширения диапазона измерения используют специальные оптические насадки.

Устройство отражения

x –расстояние между концом СВ и поверхностью отражения

А 1 – одно СВ – одно волокно, имеющему коэффициент выравнивания соответственно со СПЭНом 350 мкм (схема а)

С 2 – соответствует варианту размещения (б) СВ относительно рефлектора имеющему СВЭМ мкм

В 3 – одно волокно СПЭМ – 500 мкм

 

2 – для этого случая линейность можно расширить за счет применения пучка ВСВ. Максимальная интенсивность для этого случая от кривых А и Б.


3 – Эта схема используется фирмой OPTEH (Оптик Технолоджик) см рис 4. нелинейность в диапазоне 100–400 мкл не менее 0,1%.








Date: 2015-05-09; view: 586; Нарушение авторских прав



mydocx.ru - 2015-2026 year. (6.631 sec.) Все материалы представленные на сайте исключительно с целью ознакомления читателями и не преследуют коммерческих целей или нарушение авторских прав - Пожаловаться на публикацию