Главная Случайная страница


Полезное:

Как сделать разговор полезным и приятным Как сделать объемную звезду своими руками Как сделать то, что делать не хочется? Как сделать погремушку Как сделать так чтобы женщины сами знакомились с вами Как сделать идею коммерческой Как сделать хорошую растяжку ног? Как сделать наш разум здоровым? Как сделать, чтобы люди обманывали меньше Вопрос 4. Как сделать так, чтобы вас уважали и ценили? Как сделать лучше себе и другим людям Как сделать свидание интересным?


Категории:

АрхитектураАстрономияБиологияГеографияГеологияИнформатикаИскусствоИсторияКулинарияКультураМаркетингМатематикаМедицинаМенеджментОхрана трудаПравоПроизводствоПсихологияРелигияСоциологияСпортТехникаФизикаФилософияХимияЭкологияЭкономикаЭлектроника






Кафедра управляющих и вычислительных систем

Электроэнергетический факультет

(наименование факультета)

Кафедра управляющих и вычислительных систем

(наименование кафедры)

 

Дисциплина «Электроника и схемотехника»

 

 

Лабораторная работа№5

«Расчет схем на биполярных транзисторах»

 

Выполнил:

студент Соколов И.А.

группа: ЭВ-21

Вариант 10

 

Проверил:

проф. Водовозов А.М.

 

 

Вологда

1 ИСХОДНЫЕ ДАННЫЕ

Таблица 1. Исходные данные

Вариант задания рис R1 (кОм) R2 (кОм) R3 (кОм) R4 (кОм) U
  а     1,2 1,2  

 

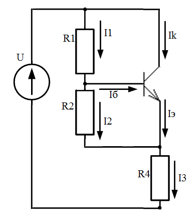
Рисунок. 1 - Расчетная схема

 

2 РАСЧЕТ СХЕМЫ

Рисунок. 2 – Схема для расчета токов по законам Кирхгофа

2.1 Уравнения Кирхгофа для данной схемы

2.2 Решение системы уравнений

Данную систему уравнений мы решили с помощью интернет ресурсов, специально предназначенных для решения систем уравнений. Решение и результаты вычислений представлены на (рисунке 3.)

 

 

Рисунок. 3 – Решение системы уравнений

Полученные результаты заносим в таблицу 2.

 

 

3 Моделирование схемы

3.1 Расчет схемы с идеальным транзистором.

 

Рисунок. 4 – Расчет схемы на идеальном, биполярном транзисторе

 

Показания амперметров запишем в таблицу 2.

 

3.2 Расчет схемы с реальным транзистором.

Рисунок. 5 - Расчет схемы на реальном, биполярном транзисторе

Показания амперметров запишем в таблицу 2.

 

Таблица 2. Результаты вычислений и моделирования

Ток в ветвях схемы I1 мА I2 мА I3 мА Iэ мА Iб мА Iк мА
Результаты расчета 0,05 0,0042 4,67 4,46 0,0461 4,618
Результаты моделирования с идеальным транзистором 0,051 0,0042 4,646 4,64 0,046 4,598
Результаты моделирования с реальным транзистором 0,055 0,003 3,988 3,934 0,052 3,88

 

 

Вывод: Рассчитав токи по заданной схеме, и записав результаты в таблицу, можем сделать вывод о правильности решения. Так как результаты моделирования с идеальным транзистором и результаты аналитического решения совпали. В частности погрешность по току коллектора составляет 0,43%. ((4,618-4,598)/4,618=0,0043) Результаты моделирования с реальным транзистором отличаются от результатов расчета, так как коэффициент усиления реального транзистора отличается от коэффициента усиления, который мы учитывали при расчете. Погрешность по току коллектора равна 15%.((4,618-3,88)/4,618=0,15).

 

 



<== предыдущая | следующая ==>
 | Лето 2015





Date: 2015-05-09; view: 536; Нарушение авторских прав



mydocx.ru - 2015-2026 year. (1.615 sec.) Все материалы представленные на сайте исключительно с целью ознакомления читателями и не преследуют коммерческих целей или нарушение авторских прав - Пожаловаться на публикацию