Главная Случайная страница


Полезное:

Как сделать разговор полезным и приятным Как сделать объемную звезду своими руками Как сделать то, что делать не хочется? Как сделать погремушку Как сделать так чтобы женщины сами знакомились с вами Как сделать идею коммерческой Как сделать хорошую растяжку ног? Как сделать наш разум здоровым? Как сделать, чтобы люди обманывали меньше Вопрос 4. Как сделать так, чтобы вас уважали и ценили? Как сделать лучше себе и другим людям Как сделать свидание интересным?


Категории:

АрхитектураАстрономияБиологияГеографияГеологияИнформатикаИскусствоИсторияКулинарияКультураМаркетингМатематикаМедицинаМенеджментОхрана трудаПравоПроизводствоПсихологияРелигияСоциологияСпортТехникаФизикаФилософияХимияЭкологияЭкономикаЭлектроника






Система обеспечения пуска и прогрева двигателя

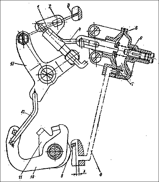
Система обеспечения пуска и прогрева двигателя показана на рис. 7. Воздушная заслонка полностью закрыта, дроссельная заслонка приоткрыта на размер А (см. табл. 2).

Рис. 7. Система пуска и прогрева двигателя:

1. Тяга управления воздушной заслонкой; 2. Ось воздушной заслонки с рычагом; 3. Воздушная заслонка; 4. Тяга; 5. Автоматическое пусковое устройство; 6. Стопорный винт; 7. Воздушный жиклер; 8. Канал, соединяющий задроссельное пространство и пусковое устройство; 9. Дроссельная заслонка; 10. Рычаг управления дроссельной заслонкой; 11. Рычаг дроссельной заслонки; 12. Тяга соединения приводов дроссельной и воздушной заслонок; 13. Рычаг управления воздушной заслонкой

Размер А (приоткрытие дроссельной заслонки при запуске двигателя) регулируют изменения длины тяги 12, соединяющей приводы дроссельной и воздушной заслонок, путем ее подгибки.

Воздушная заслонка после запуска двигателя (рис. 8) приоткрывается пусковым устройством на размер Б (см. табл. 2). Размер Б регулируют стопорным винтом пускового устройства.

Рис. 8. Положение воздушной заслонки после запуска двигателя

Необходимые требования к работе системы пуска и прогрева:

1) полное прикрытие воздушной заслонки;

2) герметичность уплотнения пусковой диафрагмы;

3) плавное, без заеданий движение (в сторону открытия) воздушной заслонки.

Заедание при открытии воздушной заслонки может происходить по следующим причинам: задевание воздушной заслонки и крышки карбюратора; заедание в тяге управления воздушной заслонкой; ослабление соединения оси воздушной заслонки и рычага; чрезмерное увеличение (от износа) отверстий в рычаге воздушной заслонки.

Задевание воздушной заслонки и крышки ликвидируется доработкой мест контакта.

Заедание в тяге управления воздушной заслонкой можно попытаться устранить, укоротив колпачок пружины (рис. 9).

Рис. 9. Тяга управления воздушной заслонкой

Рис. 10. Зажим для оси воздушной заслонки

Часто бывает, что на практически новом карбюраторе из-за некачественной расклепки рычаг болтается на оси воздушной заслонки. Это приводит к заеданию при открытии воздушной заслонки. Для того чтобы восстановить крепление рычага на оси, надо прежде всего припилить заподлицо с осью раскерненные концы винтов, иначе при отворачивании винтов можно смять резьбу оси. После этого отвернуть винты, вытащить воздушную заслонку и ось с рычагом. Для расклепки нужно изготовить простейший зажим для оси (рис. 10). Вставьте ось в зажим, зажмите его в тиски и расклепайте ось (рис. 11).

Рис. 11. Расклепка рычага воздушной заслонки

Собирая обратно воздушную заслонку с осью, используйте новые винты М3х6 с обязательным кернением или обжимом выступающих концов винтов.

Если в рычаге оси воздушной заслонки отверстия сильно увеличены, то ось с рычагом необходимо заменить.

В карбюраторах первых выпусков с большим сроком эксплуатации тяга соединения приводов дроссельной и воздушной заслонок (см. рис. 7, поз. 12) может быть совсем выпрямлена, но тем не менее размер Б будет недостаточным. В этом случае надо снять рычаг управления дроссельной заслонкой 10 (см. рис. 7) и "изуродовать" его так, как показано на рис. 12.

В дополнение можно рекомендовать: 1) размер А проверять сверлами; 2) размер Б проверять шаблонами или сверлами.

Рис. 12. Изменение формы рычага управления дроссельной заслонкой:

---------------- -- до исправления; -- -- -- -- -- -- после исправления.

В некоторых публикациях утверждается, будто разрыв диафрагмы пускового устройства является причиной того, что двигатель не работает на холостом ходу. Это неверно, так как воздух в задроссельное пространство может попасть только через демпфирующий жиклер пускового устройства диаметром 0,7 мм (см. табл. 2). Количество этого воздуха настолько мизерное, что никак не может влиять на холостой ход.

 



<== предыдущая | следующая ==>
Текущий гривневый счёт | Наблюдение и технический уход за системой охлаждения





Date: 2015-05-09; view: 398; Нарушение авторских прав



mydocx.ru - 2015-2026 year. (1.597 sec.) Все материалы представленные на сайте исключительно с целью ознакомления читателями и не преследуют коммерческих целей или нарушение авторских прав - Пожаловаться на публикацию