Главная Случайная страница


Полезное:

Как сделать разговор полезным и приятным Как сделать объемную звезду своими руками Как сделать то, что делать не хочется? Как сделать погремушку Как сделать так чтобы женщины сами знакомились с вами Как сделать идею коммерческой Как сделать хорошую растяжку ног? Как сделать наш разум здоровым? Как сделать, чтобы люди обманывали меньше Вопрос 4. Как сделать так, чтобы вас уважали и ценили? Как сделать лучше себе и другим людям Как сделать свидание интересным?


Категории:

АрхитектураАстрономияБиологияГеографияГеологияИнформатикаИскусствоИсторияКулинарияКультураМаркетингМатематикаМедицинаМенеджментОхрана трудаПравоПроизводствоПсихологияРелигияСоциологияСпортТехникаФизикаФилософияХимияЭкологияЭкономикаЭлектроника






Результаты экспериментов. Эксперимент 1. Идеальный источник постоянной ЭДС





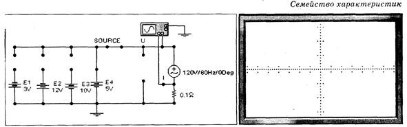
Эксперимент 1. Идеальный источник постоянной ЭДС.

а). Снятие вольтамперных характеристик с помощью амперметра и вольтметра

б). Снятие вольтамперных характеристик с помощью осциллографа

 


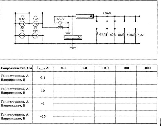
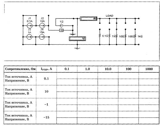
Эксперимент 2. Идеальные источники постоянного тока.

а). Снятие вольтамперных характеристик с помощью амперметра и вольтметра

б). Снятие вольтамперных характеристик с помощью осциллографа

 


Эксперимент 3. Зависимые источники ЭДС, управляемые напряжением.

а). Снятие вольтамперных характеристик с помощью амперметра и вольтметра

б). Снятие вольтамперных характеристик с помощью осциллографа


Эксперимент 4. Зависимые источники тока, управляемые напряжением.

а). Снятие вольтамперных характеристик с помощью амперметра и вольтметра

б). Снятие вольтамперных характеристик с помощью осциллографа

 

Эксперимент 5. Зависимые источники ЭДС, управляемые током.

а). Снятие вольтамперных характеристик с помощью амперметра и вольтметра

б). Снятие вольтамперных характеристик с помощью осциллографа

 

Эксперимент 6. Зависимые источники тока, управляемые током.

а). Снятие вольтамперных характеристик с помощью амперметра и вольтметра

б). Снятие вольтамперных характеристик с помощью осциллографа

 







Date: 2015-05-08; view: 900; Нарушение авторских прав



mydocx.ru - 2015-2026 year. (0.776 sec.) Все материалы представленные на сайте исключительно с целью ознакомления читателями и не преследуют коммерческих целей или нарушение авторских прав - Пожаловаться на публикацию