Главная Случайная страница


Полезное:

Как сделать разговор полезным и приятным Как сделать объемную звезду своими руками Как сделать то, что делать не хочется? Как сделать погремушку Как сделать так чтобы женщины сами знакомились с вами Как сделать идею коммерческой Как сделать хорошую растяжку ног? Как сделать наш разум здоровым? Как сделать, чтобы люди обманывали меньше Вопрос 4. Как сделать так, чтобы вас уважали и ценили? Как сделать лучше себе и другим людям Как сделать свидание интересным?


Категории:

АрхитектураАстрономияБиологияГеографияГеологияИнформатикаИскусствоИсторияКулинарияКультураМаркетингМатематикаМедицинаМенеджментОхрана трудаПравоПроизводствоПсихологияРелигияСоциологияСпортТехникаФизикаФилософияХимияЭкологияЭкономикаЭлектроника






Измерение частоты





При подаче с генератора синусоидального сигнала на входной порт компьютера, он преобразуется в прямоугольный с чередующимися логическими нулями и единицами. Периодичность опроса входного порта Топр. должна быть много меньше периода колебаний измеряемого сигнала Тсигн.опр.<<Тсигн.).Скорость опроса порта зависит от тактовой частоты компьютера.

Рис. 5

Эта программа очень похожа на написанную, с той разницей, что чередование нулей о единиц в течение 1 сек. и есть частота

 

5 n=0

10 t1=timer t1 начальное состояние системных часов

20 a=inp (&h 379)

30 if a=127 then goto 20

40 a=inp(&h 379)

50 if a=119 then goto 40

60 n=n +1 счет импульсов

70 t2=timer t2 конечное состояние системных часов

80 if t2 – t1<1 then goto 20 если время счета импульсов меньше 1 сек.

90 print n напечатать число импульсов за 1сек. (частоту)

95 sleep 1 время индикации

100 goto 5

Цифро–аналоговый преобразователь (ЦАП)

Преобразование цифровой информации в непрерывный (аналоговый) электрический сигнал является важным применением вычислительных машин. На рис.5 показано устройство, преобразующее нарастающий цифровой код в плавно нарастающий ток гальванометра. Каждый следующий, более старший бит счетчики на микросхеме К155ИЕ5, увеличивает ток в два раза. Это достигается включением резисторной матрицы, в которой каждый следующий, более старший бит, имеет сопротивление в два раза меньше предыдущего. Нарастающий двоичный код подается со счетчика, подключенного к генератору импульсов.

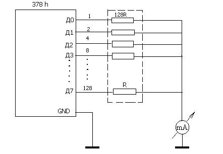
Для программирования различных функций U(t) применяются резисторные матрицы R-2R-4R-8R---128R подключаемые к выходному LPT порту с адресом 378h. Старший разряд порта D7 подключается к резистору R=1Kом. Каждый, более младший разряд, подключается к резисторам 2R-4R-8R и так далее (Рис.9).

 

Рис.9

Для генерации линейно-нарастающего напряжения на выходе ЦАП необходимо подавать в порт порта 378h нарастающий двоичный код.

10 for a=0 to 255 генерация нарастающего 8–битного кода

20 out &h378, a подача числа в ЦАП

30 sleep 1 задержка 1 сек.

40 next a

 

Оператор sleep используется для замедления выполнения программы, при его отсутствии скорость выполнения будет зависеть только от тактовой частоты процессора.

Рис.10

Форма напряжения на выходе ЦАП показана на Рис.10.

 







Date: 2015-05-05; view: 597; Нарушение авторских прав



mydocx.ru - 2015-2026 year. (0.952 sec.) Все материалы представленные на сайте исключительно с целью ознакомления читателями и не преследуют коммерческих целей или нарушение авторских прав - Пожаловаться на публикацию