Главная Случайная страница


Полезное:

Как сделать разговор полезным и приятным Как сделать объемную звезду своими руками Как сделать то, что делать не хочется? Как сделать погремушку Как сделать так чтобы женщины сами знакомились с вами Как сделать идею коммерческой Как сделать хорошую растяжку ног? Как сделать наш разум здоровым? Как сделать, чтобы люди обманывали меньше Вопрос 4. Как сделать так, чтобы вас уважали и ценили? Как сделать лучше себе и другим людям Как сделать свидание интересным?


Категории:

АрхитектураАстрономияБиологияГеографияГеологияИнформатикаИскусствоИсторияКулинарияКультураМаркетингМатематикаМедицинаМенеджментОхрана трудаПравоПроизводствоПсихологияРелигияСоциологияСпортТехникаФизикаФилософияХимияЭкологияЭкономикаЭлектроника






Очистка в искусственных сооружениях

Б искусственных условиях очистку проводят в аэротенках или биофильтрах.

Очистка в аэротенках. Аэротенкаади называют железобетон­ные аэрируемые резервуары. Процесс очистки в аэротенке идет

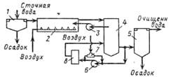
рис. 11-70. Схема установки для биологической очистки:

1 — первичный отстойник; 2 — предаэратор; 3 — аэротенк; 4 — регенератор; 5 — вторичный от­стойник

по мере протекания через него аэрированной смеси сточной воды и активного ила (рис. 11-70). Аэрация необходима для на­сыщения воды кислородом и поддержания ила во взвешенном состоянии.

Сточную воду направляют в отстойник, куда для улучшения осаждения взвешенных частиц можно подавать часть избыточного ила. Затем осветлен­ная вода поступает в предаэратор-усреднитель, в который направляют часть избыточного ила из вторичного отстойника. Здесь сточные воды предваритель­но аэрируются воздухом в течение 15—20 мин. В случае необходимости в предаэратор могут быть введены нейтрализующие добавки и питательные вещества. Из усреднителя сточную воду подают в аэротенк, через который циркулирует и активный ил.

Биохимические процессы, протекающие в аэротенке, могут быть разделе­ны на два этапа: 1) адсорбция поверхностью активного ила органических веществ и минерализация легко окисляющихся веществ при интенсивном пг треблении кислорода; 2) доокисление медленно окисляющихся органических веществ, регенерация активного ила. На этом этапе кислород потребляется медленнее.

Как правило, аэротенк разделен на две части: регенератор (25% от об­щего объема) и собственно аэротенк, в котором идет основной процесс очи­стки. Наличие регенератора дает возможность очищать более концентриро­ванные сточные воды и увеличить производительность агрегата.

Перед аэротенком сточная жидкость должна содержать не более 150 мг/л взвешенных частиц и не более 25 мг/л нефтепродуктов. Температура очи­щаемых сточных вод не должна быть ниже 6 °С и выше 30 °С, а рН — в пре­делах 6,5—9.

После контактирования сточная вода с илом поступает во вторичный отстойник, где происходит отделение ила от воды. Большую часть ила воз­вращают в аэротенк, а избыток его направляют в предаэратор.

Аэротенк представляет собой открытый бассейн, оборудо­ванный устройствами для принудительной аэрации. Они быва­ют двух-, трех- и четырехкоридорные. Глубина аэротенков 2— 5 м.

Аэротенки подразделяются по следующим основным призна­кам: 1) по гидродинамическому режиму—на аэротенки-вытес-нители, аэротенки-смесители и аэротенки промежуточного типа (с рассредоточенным вводом сточных вод); 2) по способу реге­нерации активного ила — на аэротенки с отдельной регенера­цией и аэротенки без отдельной регенерации; 3) по нагрузке на активный ил—на высоконагружаемые (для неполной очистки), обычные и низконагружаемые (с продленной аэрацией); 4) по количеству ступеней — на одно-, двух- и многоступенчатые;

5) по режиму ввода сточных вод—на проточные, полупроточ­ные, с переменным рабочим уровнем и контактные; 6) по кон­структивным признакам.

Наиболее распространены коридорные аэротенки, работаю­щие как вытеснители, смесители и с комбинированными режи­мами.

Схемы аэротенков с различной структурой потоков сточной воды и возвратного активного ила показаны на рис. II-71.

В аэротенках-вытеснителях воду и ил подают в начало соору­жения, а смесь отводят в конце его. Аэротенк имеет 1—4 коридора. Теорети­чески режим потока поршневой без продольного перемешивания. На практи­ке существует значительное продольное перемешивание. Повышенная кон­центрация загрязнений в начале сооружения обеспечивает увеличение скоро­сти их окисления. Изменение состава воды по длине аэротенка затрудняет адаптацию ила и снижает его активность. Такие аэротенки применяют для окисления малоконцентрированных вод (до 300 мг/л по БПКполм).

В аэротенка х-с месителях воду и ил вводят равномерно вдоль длинных сторон коридора аэротенка. Полное смешение в них сточной воды с иловой смесью обеспечивает выравнивание концентраций ила и скоростей процесса биохимического окисления. Такие аэротенки предназначены для очистки концентрированных производственных сточных вод (БПКпо.ля до 1000 мг/л) при разных колебаниях их распада, состава и количества за­грязнений.

В аэротенки с рассредоточенной подачей сточной воды ее подают в не­скольких точках по длине аэротенка, а отводят из торцевой части. Возврат­ный ил полностью подают в начало аэротенка. Эти аппараты занимают промежуточное положение между вытеснительными и смесительными.


Основные технологические схемы очистки сточных вод в аэротенках представлены на рис. II-72.

Одноступенчатые схемы без регенерации ила применяют при БПКполн сточной воды не более 150 мг/л, с регенерацией—бо­лее 150 мг/л и при наличии вредных производственных приме­сей. Двухступенчатые схемы применяют при очистке высоко-концентрированных сточных вод.

Аэрация. Растворимость кислорода в воде мала (зависит от температуры и давления), поэтому для насыщения ее кисло­родом подают большое количество воздуха.

Рис. II-71. Аэротенки с различной структурой потоков сточной воды и воз­вратного активного ила:

а — аэротеик-вытеснитель; б — аэротенк-смеситель; в — аэротенк с рассредоточенной подачей сточной воды

Рис. II-72. Основные схемы установок очистки сточных вод в аэротенках:

а — с одноступенчатыми аэротенками без регенерации; б — то же. с регенерацией; в — с двухступенчатыми аэротенками без регенерации; г — то же, с регенерацией; 1 аэро­тенки; 2 — отстойники; 3— насосные станции для ила; 4 — регенераторы I ступени; а— аэротенки II ступени; 6—регенератор II ступени

Растворимость кислорода в чистой воде при давлении 0,1 МПа представлена ниже:

Температура,°С Растворимость,мг/л   12,8 11,3 10,8 10,3 9,8 9,4 9,0 8,7 8,3 8,0 7,7

При аэрации должна быть обеспечена большая поверхность контакта между воздухом, сточной водой и илом, что является необходимым условием эффективной очистки. На практике используют пневматический, механический и пневмомеханический •способы аэрации сточной воды в аэротенках. Выбор способа аэраци зависит от типа аэротенка и от необходимой интенсив­ности аэрации.

При пневматической аэрации сжатый воздух воздуходувкой подают через пористые керамические плиты (фильтросы, пори­стые трубы и перфорированные трубы разного диаметра). При механической аэрации происходит перемешивание жидкости различными устройствами, которые обеспечивают дробление струй воздуха. Вблизи этих устройств возникают пузырьки га­за, при помощи которых кислород переходит в сточную воду.

Аэраторы могут быть с вертикальной и горизонтальной осью вращения. Аэраторы с вертикальной осью вращения де­лятся на поверхностные и заглубленные в жидкость; по виду механизма аэрации они делятся на турбинные, импеллерные и струйные. Аэраторы с горизонтальной осью вращения могут быть поверхностные (роторные) и мешалочные. Классификация механических аэраторов показана на рис. II-73.

Механизм аэрирования у аэраторов различной конструкции разный: 1) подсос воздуха через поверхность жидкости в ре­зультате понижения давления в ней за вращающимися лопат­ками; 2) насыщение кислородом струй и капель жидкости, со­прикасающихся с воздухом; 3) смешение воды и воздуха в меж­лопастном пространстве аэраторов в условиях резкого перепада давлений перед и за вращающимися лопатками; 4) подсос воздуха струями жидкости, падающими в основную массу жид-

Рис. II-74. Аэротенки:

а — аэротенк-отстойннк: 1 — лоток; 2 — илососы; 3 — зона отстаивания; 4— водосливы; 5 — зона аэрации; 6 — аэротенк-осветлитель: 1 — переливные окна; 2 — зона аэрации; 3 — зона дегазации; 4—направляющая перегородка; 5—аэратор; 6—зона осветления; в — двухкамерный аэротенк-отстойник: 1 — импеллерный аэратор; 2 — зона предварительяого обогащения; 3— перегородка; 4 — роторный аэратор; 5—зона ферментации; 6 зона осветления


кости; 5) растворение кислорода через обменивающиеся слои поверхности жидкости при ее турбулентном перемешивании.

Пневмомеханические аэраторы применяют в тех случаях, когда требуется интенсивное перемешивание и высокая окис­лительная мощность. В этих аэраторах сжатый воздух посту­пает через аэрационное кольцо с большими отверстиями и разбивается на мелкие пузырьки. Это способствует увеличению степени использования кислорода и уменьшению энергозатрат на создание мелких пузырьков по сравнению с аэраторами из пористых плит и труб.

Продолжительность аэрации в аэротенках всех типов равна

t=(La - Lt)/[a(1 – Sл)r), (II.229)

где La, и Lt—БПК.полк поступающей на очистку воды и очищенной воды, мг О2/л; а — доза ила, г/л; 5л — зольность ила в долях единицы; r — средняя расчетная скорость окисления, мг БПНполн/г беззольного вещества ила в 1 ч.

Аэротенки. На рис. (II-74, а) показана схема аэротенка-отстойника, объединенного со вторичным отстойником. Зона аэрации отделена от зоны отстаивания. Сточную воду подают в центре, а отводят по лотку. В зоне отстаивания образуется слой взвешенного активного ила, через который фильтруется сточная вода. Избыточный активный ил отводят из зоны взве­шенного слоя по трубам, а возвратный активный ил поступает в зону аэрации.

В аэротенке-осветителе (рис. II-74, б) сточная вода поступает в зону аэрации, где смешивается с активным илом и аэрируется. Затем смесь через окна попадает в зону осветления и зону дегазации. В зоне осветления воз­никает взвешенный слон активного ила, через который фильтруется иловая смесь. Очищенная вода через лотки удаляется из аэротенка.

Двухкамерные аэротенки-отстойники (рис. II-74, в) являются разновид­ностью аэротенков-осветителей. В них зона аэрации разделена вертикальной перфорированной перегородкой на две камеры. В первой камере происходит насыщение иловой смеси кислородом и сорбция загрязнений активным илом, во второй — окисление сорбированных загрязнений и стабилизация активно­го ила. Избыточный ил удаляется из зоны осветления.

Для интенсификации процесса биохимической очистки сточ­ные воды перед аэротенком предлагается обрабатывать окис­лителями (например, озоном) с целью снижения ХПК. Для этой же цели разработан процесс очистки сточных вод в глубоких шахтах. В них устраивают вертикальные трубы, доходящие почти до дна шахты. Сточные воды подают по трубам одновре­менно с воздухом. Под действием высокого гидростатического давления кислород воздуха почти полностью растворяется в сточной воде. При этом степень его использования микроорга­низмами увеличивается. Иловая смесь по подъемной трубе под­нимается вверх и после дегазации (выделение СО2 и О2) посту­пает в отстойник. Очистная установка занимает небольшую площадь. При ее работе отсутствует выделение запахов и дости­гается высокая степень очистки.


Изучен процесс биохимической очистки с отделением актив­ного ила от очищенной воды не во вторичных отстойниках, а во флотаторах. Схема процесса показана на рис. II-75.

Сточные воды поступают в отстойник, где осаждаются взвешенные ве­щества, а затем в аэротенк. После него смесь очищенной воды и активного ила направляют во флотатор, в котором активный ил пузырьками воздуха поднимается вверх и собирается на поверхности воды. Часть активного ила возвращают в аэротенк, а другую часть с очищенной водой отводят в кон­тактный резервуар, где происходит окончательное отделение активного ила. Воду хлорируют и удаляют из установки.

Использование флотатора позволило повысить концентрацию активного ила в аэротенке до 10—12 г/л ц увеличить его производительность в 2— 3 раза. Процесс применим для очистки сточных вод с высокой концентраци­ей загрязнений.

Очистка в биофильтрах. Биофильтры — это сооружения, в корпусе которых размещается кусковая насадка (загрузка) и предусмотрены распределительные устройства для сточной во­ды и воздуха. В биофильтрах сточная вода фильтруется через

Рис. II-75.Схема установки

Рис. II-76. Схемы установок для очистки сточных вод биофильтрами:

a—одноступенчатая; б — двухступенчатая; 1— первичные отстойники; 2, 4— биофильт­ры I и II ступеней; 3 — вторичные отстойники; 5—третичный отстойник

слой загрузки, покрытый пленкой из микроорганизмов. Микро­организмы биопленки окисляют органические вещества, исполь­зуя их как источники питания и энергии. Таким образом, из сточной воды удаляются органические вещества, а масса ак­тивной биопленки увеличивается. Отработанная (омертвевшая) биопленка смывается протекающей сточной водой и выносится из биофильтра.

В качестве загрузки используют различные материалы с высокой пористостью, малой плотностью и большой удельной поверхностью: щебень, гравий, шлак, керамзит, керамические и пластмассовые кольца, кубы, шары, цилиндры, шестигранные

блоки; металлические и пластмассовые сетки, скрученные в рулоны.

В настоящее время предложено большое число конструкций биофильтров, которые делят на биофильтры, работающие с пол­ной и неполной биологической очисткой; с естественной и искус­ственной подачей воздуха; с рециркуляцией и без рециркуляции сточных вод; на биофильтры одноступенчатые и двухступенча­тые, капельные и высоконагружаемые.

Двухступенчатые биофильтры применяются в том случае, когда для достижения высокой степени очистки нельзя увели­чить высоту биофильтров. Технологические схемы биофильтров показаны на рис. 11-76.

Биопленка выполняет такие же функции, как и активный ил. Она адсорбирует и перерабатывает органические вещества, находящиеся в сточных водах. Окислительная мощность биофильтров ниже мощности аэротенков.

На эффективность очистки сточных вод в биофильтрах влияют биохимические, массообменные, гидравлические и кон­структивные параметры. Среди них следует отметить: БПК очи­щаемой сточной воды, природу органических загрязнений, ско­рость окисления, интенсивность дыхания микроорганизмов массу веществ, абсорбируемых пленкой, толщину биопленкн, состав обитающих в ней микроорганизмов, интенсивность аэра­ции, площадь и высоту биофильтра, характеристику загрузки (размер кусков, пористость и удельная поверхность), физические свойства сточной воды, температуру процесса и гидравли

 

 

<стр. 352 – 353>

 

 

Рис. II-79. Схема установки для совместной очистки бытовых и промышлен­ных сточных вод:

1, 7 — усреднители; 2, 8 — первичные отстойники; 3 — смеситель; 4 — аэротенк; 5 — вто­ричный отстойник; б— емкость для обезвреживания; 9— котельная; 10— метантенк; II — аппарат для обезвоживания осадка

за, нижнее—для прохода иловой смеси. Сточная вода, цирку­ляционный ил, кислород входят в первую секцию.

Среднюю продолжительность пребывания сточных вод в окситенке определяют по формуле

t=(La - Lt)/[ Ko2Kn (1 – Sл)ar, (II.230)

где Ко2 и Кп — коэффициенты, учитывающие влияние соответственно кон­центрации растворенного кислорода и дозы активного ила; 5л—зольность ила, доли единицы: о — доза активного ила, г/л; r — удельная скорость окис­ления, мг; БПКполн на 1 г беззольного вещества или за 1 ч.

В зависимости от состава очищаемых сточных вод в окситенках оптимальная концентрация кислорода в воде составля­ет 10—12 мг/л, а доза ила— 7—10 г/л.

Совместная очистка бытовых и промышленных сточных вод. Процесс очистки протекает более устойчиво и полно, когда ве­дут совместную очистку производственных и бытовых сточных вод, поскольку бытовые воды содержат биогенные элементы, а также разбавляют производственные сточные воды (рис. II-79).

Необходимую степень разбавления определяют по соотноше­нию

m=(La - Lсм)/(Lсм - Lбыт), (II.231)

где Lа — начальная БПКполн производственной сточной воды, мг/л; Lсм — на­чальная БПКполн смеси, мг/л; Lбыт начальная БПКполн бытовых вод, Lбыт=40000q (здесь q среднесуточное количество бытовых вод на одного человека).

Бытовые сточные воды поступают в усреднитель, а затем в отстойник. После осветления воду направляют в смеситель, где смешивают с производ­ственной сточной водой, поступающей из отстойника. Далее смесь бытовых и промышленных вод поступает в аэротенк. После отделения активного ила во вторичном отстойнике сточные воды обезвреживают хлором, затем сбрасы­вают в водоем или направляют для использования в производстве.

Осадок из отстойников поступает в метантенки. Выделяемый в процессе сбраживания газ из метантенков направляют на сжигание в котельню. Сброженный осадок обезвреживают и перерабатывают в удобрение.



<== предыдущая | следующая ==>
Интеграция смыслов в жизненных темах | Природа человека и смысл его существования





Date: 2015-06-08; view: 1676; Нарушение авторских прав



mydocx.ru - 2015-2026 year. (0.051 sec.) Все материалы представленные на сайте исключительно с целью ознакомления читателями и не преследуют коммерческих целей или нарушение авторских прав - Пожаловаться на публикацию