Главная Случайная страница


Полезное:

Как сделать разговор полезным и приятным Как сделать объемную звезду своими руками Как сделать то, что делать не хочется? Как сделать погремушку Как сделать так чтобы женщины сами знакомились с вами Как сделать идею коммерческой Как сделать хорошую растяжку ног? Как сделать наш разум здоровым? Как сделать, чтобы люди обманывали меньше Вопрос 4. Как сделать так, чтобы вас уважали и ценили? Как сделать лучше себе и другим людям Как сделать свидание интересным?


Категории:

АрхитектураАстрономияБиологияГеографияГеологияИнформатикаИскусствоИсторияКулинарияКультураМаркетингМатематикаМедицинаМенеджментОхрана трудаПравоПроизводствоПсихологияРелигияСоциологияСпортТехникаФизикаФилософияХимияЭкологияЭкономикаЭлектроника






Тепловые зазоры в клапанных механизмах





А и б. 2) б и г. 3) г и в. 4) а и в.

 
 

Тепловые зазоры в клапанных механизмах

III. Тепловые зазоры в приводе клапанов проверяют и ре­гулируют при...

1) закрытых клапанах,

2) открытых клапанах,

3) открытых или закрытых клапанах в зависимости от модели двигателя?

IV. Тепловые зазоры в двигателе автомобиля «Волга» ГАЗ-24 устанавливают между...

1) носком коромысла и стержнем клапана, 2) толкателем и распределительным валом,

3) штангой и толкателем, 4) штангой и коромыслом?

V. В каких пределах лежат значения тепловых зазоров в газораспределительных механизмах изучаемых двига­телей?

1)0,25-0,45 мм. 2) 0,45-0,75 мм. 3)0,75-1,05 мм. 4) 1,05-1,35 мм.

ТЕСТ № 10

I. Какой буквой на рисунке обозначена ось коромысел?

II. Какой буквой на рисунке обозначена головка блока цилиндров?

III. Какой буквой на рисунке обозначена ось коромысел?

IV. Какой буквой на рисунке обозначена пружина клапана?

V. Какой буквой на рисунке обозначена опорная шайба клапана?

 

 

 

ТЕСТ № 11

I. С какого номера цилиндра рекомендуется начинать про­верку наличия тепловых зазоров в приводе клапанов изучаемых двигателей?

1) С первого. 2) Со второго. 3) С третьего. 4) С любого.

II. Для проверки теплового зазора коленчатый вал ус­танавливают в определен­ное положение по меткам на шкиве (смотрите рисунок). Если при повороте коленчатого вала метку а совместить с установочным штифтом, то коленчатый вал займет по­ложение, при котором пор­шень 1-го цилиндра будет находиться...

Установочные метки на шкиве коленчатого вала

1) в НМТ (в цилиндре за­вершился такт впуска),

2) в ВМТ (в цилиндре завершился такт сжатия),

3) в ВМТ (в цилиндре завершился такт сжатия или выпуска),

4) вблизи ВМТ такта сжатия или выпуска?

III. Если метку б (смотрите рисунок) совместить с установоч­ным штифтом, то коленчатый вал займет положение, при котором поршень 1-го цилиндра будет находиться вблизи...

1) НМТ такта впуска, 2) ВМТ такта сжатия,

3) ВМТ такта выпуска, 4) НМТ такта рабочий ход?

 

IV. При совмещении метки а на шкиве (смотрите рисунок) с ус­тановочным штифтом впускной и выпускной клапаны 1-го цилиндра могут находиться... положении.

1) только в закрытом, 2) только в открытом,

3) как в закрытом, так и в открытом?

VI. Совмещение метки а с установочным штифтом явля­ется условием, для закрытия клапанов:

1) необходимым, но недостаточным, 2) необходимым и достаточным?

ТЕСТ № 12

I. Какой буквой на рисунке обозначены сухари?

II. Какой буквой на рисунке обозначена рабочая поверхность (фаска) клапана?

III. Какой буквой на рисунке обозначена направляющая втулка?

IV. Какой буквой на рисунке обозначен резиновый колпачок (сальник)?

V. Какой буквой на рисунке обозначено замочное кольцо?

 

 

 

ТЕСТ № 13

I. Какой цифрой на рисунке обозначена ведущая звёздочка?

II. Какой цифрой на рисунке обозначен башмак натяжителя?

III. Какой цифрой на рисунке обозначен успокоитель цепи?

IV. Какой цифрой на рисунке обозначен рычаг привода клапана?

V. Какой цифрой на рисунке обозначен регулировочный болт?

 

 

 

ТЕСТ № 14

I. Какой цифрой на рисунке обозначено устройство, с помощью которого регулируют силу натяжения цепи?

II. Какой цифрой на рисунке обозначена деталь, неподвижно закреплённая на валу привода масляного насоса и прерывателя-распределителя зажигания?

III. Какой цифрой на рисунке обозначена деталь с помощью, которой изменяют тепловой зазор?

IV. Между какими двумя деталями измеряется тепловой зазор?

V. Какой цифрой на рисунке обозначен распределительный вал?

 

 

 

ТЕМА – 2

 

ДВИГАТЕЛЬ.

СИСТЕМА СМАЗКИ.

 

ТЕСТ № 1

I. Какие из перечисленных функций не выполняют сма­зочные системы?

1) Уменьшение трения и интенсивности износа тру­щихся поверхностей.

2) Вынос продуктов износа из зоны трения.

3) Снижение ударных нагрузок на детали цилиндропоршневой группы.

4) Частичный отвод тепла от трущихся поверхностей.

5) Обеспечение оптимального теплового режима рабо­ты двигателя.

6) Защита деталей от коррозии.

II. Какие детали и поверхности деталей смазываются под давлением?

1) Шейки коленчатого вала.

2) Распределительные шестерни.

3) Втулки коромысел.

4) Гильзы.

5) Опорные шейки распределительного вала.


6) Толкатели.

7) Верхние наконечники штанг.

8) Кулачки распределительного вала.

III. Какие способы подачи масла к трущимся поверхно­стям применяются в смазочных системных изучаемых двигателей?

1) Под давлением. 2) Самотеком. 3) Разбрызгиванием. 4) Все перечисленные.

IV. Какие последствия вызывает прекращение подачи мас­ла к шейкам коленчатого вала?

1) Сокращение ресурса работы двигателя вследствие увеличения износа.

2) Незначительное увеличение температуры трущихся поверхностей.

3) Выплавление подшипников и выход двигателя из строя.

4) Ухудшение экономичности работы двигателя.

V. Наиболее опасные последствия возникают, если давле­ние масла в смазочной системе становится слишком...

1) большим, 2) малым?

ТЕСТ № 2

I. Каким способом очищается масло в смазочной системе изучаемых двигателей от продуктов износа?

1) Механическим, путем задержки загрязненных частиц в фильтрах.

2) Задержкой продуктов износа в магнитных уловителях.

3) Химическим, путем использования веществ, погло­щающих продукты износа.

4) Любым из перечисленных способов.

II. Какие устройства и системы используются для охлаж­дения масла?

1) Ребра, увеличивающие отвод тепла с поверхности поддона.

2) Масляные радиаторы.

3) Системы вентиляции картера.

4) Все перечисленные.

III. Использование на изучаемых двигателях систем венти­ляции картера позволяет...

1) охладить масло и удлинить срок его службы,

2) предотвратить попадание газов из картера в кабину,

3) снизить токсичность двигателя,

4) достичь всех перечисленных результатов?

IV. Давление в смазочной системе исправного двигателя при увеличении частоты вращения коленчатого вала должно...

1) увеличиваться, 2) уменьшаться, 3) не изменяться?

V. Редукционный клапан срабатывает, если давление мас­ла в смазочной системе...

1) повышается,

2) понижается?

 

 

ТЕСТ № 3

I. Отсос картерных газов осуществляется за счет...

1) разрежения во впускной трубе,

2) давления в цилиндре,

3) давления в выпускной трубе?

 

Какие клапаны смазочной системы служат для:

II. Предотвращения разрушения масляных магистралей при повышении давления масла сверх допустимого?

1) Редукционный. 2) Предохранительный. 3) Перепускной.

III. Пропуска неочищенного масла к трущимся поверхно­стям при засорении фильтра?

1) Редукционный. 2) Предохранительный. 3) Перепускной.

IV. Предотвращения сильного падения давления масла при подключении масляного радиатора?

1) Редукционный. 2) Предохранительный. 3) Перепускной.

V. При срабатывании редукционного клапана масло про­ходит через этот

клапан и...

1) поступает во всасывающую полость насоса,

2) направляется под давлением к трущимся поверхностям,

3) движется по одному из указанных путей в зависи­мости от конструктивных особенностей смазочной системы?

 

 

ТЕСТ № 4

I. Какие виды систем вентиляции картера применяются в смазочных системах изучаемых двигателей?

1) Открытые.

2) Закрытые.

3) Обоих видов.

II. Красная сигнальная лампа смазочной системы при не­работающем двигателе и включенных измерительных приборах гореть...


1) должна, 2) не должна?

III. Проверка уровня масла в двигателе с помощью щупа вы­полняется...

1) на работающем двигателе в режиме холостого хода,

2) сразу же после остановки двигателя,

3) через 3—4 мин после остановки двигателя,

4) в любом из указанных случаев?

IV. Сливать отработанное масло из системы смазки следует...

1) сразу же после выключения двигателя,

2) после снижения температуры охлаждающей жидко­сти до 40°С,

3) после охлаждения двигателя до температуры окружа­ющей среды,

4) на холодном или горячем двигателе в зависимости от его конструктивных особенностей?

V. Каким способом проверяют исправность фильтра цен­тробежной очистки?

1) Прослушиванием гудения фильтра в течение 2—3 мин после остановки двигателя.

2) Внешним осмотром степени загрязнения масла после пробега 1000 км.

3) Контролируя расход (угар) масла на 100 км пробега.

4) Любым из перечисленных способов.

 

ТЕСТ № 5

Каковы наиболее вероятные последствия (правый стол­бец) неисправностей, влияющих на работу смазочной сис­темы?

Давление:

I. Сильно изношенные коренные и

шатунные подшипники

коленчатого вала в сис­теме смазки вала.

П. Заклинивание редукционного

клапана в открытом 1. Пониженное.

положении в системе смазки.

III. Заклинивание редукционного

клапана в закрытом положении.

2. Повышенное.

IV. Применение летом масел,

предназначенных для эксплуатации

зимой.

V. Сильно изношенные детали

масляного насоса.

 

ТЕСТ № 6

I. Загорание на щитке приборов сигнальной лампы крас­ного цвета рядом с указателем давления масла при ра­ботающем двигателе

свидетельствует о том, что...

1) количество масла в системе меньше допустимого,

2) давление в системе смазки превышает допустимое,

3) вязкость масла не соответствует установленному зна­чению,

4) давление в системе стало ниже допустимого,

5) давление в смазочной системе соответствует норме?

II. При срабатывании редукционного клапана масло про­ходит через этот клапан и...

1) поступает во всасывающую полость насоса,

2) направляется под давлением к трущимся поверхностям,

3) движется по одному из указанных путей в зависи­мости от конструктивных особенностей смазочной системы?

III. Замена фильтрующего элемента, промывка корпусов масляных фильтров и промывка фильтров вентиляции картера производится, как правило:

1) при каждой смене масла в двигателе,

2) как при смене, так и при доливке масла,

3) при загрязнении корпусов фильтров,

4) во всех перечисленных случаях?

IV. Промывка осуществляется...

1) на неработающем двигателе путем сохранения мас­ла в поддоне в течение 2—3 ч,

2) путем пуска двигателя и его эксплуатации под на­грузкой в течение 2—3 ч,

3) работой двигателя на холостом ходу в течение 10 мин без трогания автомобиля с места,


4) любым из указанных способов?

V. После удаления осадка из ротора фильтра центробеж­ной очистки его следует промывать в...

1) бензине,

2) керосине,

3) дизельном топливе,

4) любой из указанных жидкостей?

 

ТЕСТ № 7

 

 

Фильтр центробежной очистки масла

 

Какими позициями на рисунке обозначены:

I. Корпус?

II. Ротор?

III. Жиклер?

IV. Вращающийся колпак?

V. Кожух?

 

 

ТЕСТ № 8

13

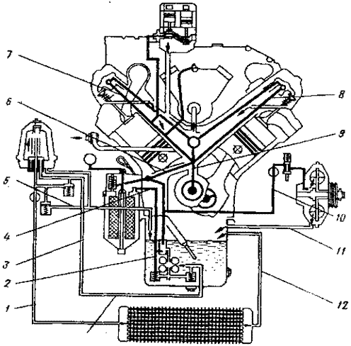
Смазочная система двигателя автомобиля КамАЗ

Какими позициями на рисунке обозначены каналы и шланги, которые предназначены для отвода масла от:

I. Масляного радиатора в поддон картера?

II. Фильтра центробежной очистки к масляному радиатору?

III. Фильтра центробежной очистки в поддон картера?

IV. Гидромуфты привода вентилятора в поддон картера?

V. Главной масляной магистрали к термосиловому датчику, управляющему работой гидромуфты привода вентилятора?

 

 

ТЕСТ № 9

Фильтр центробежной очистки масла

I. На поверхности какой детали (смотрите рисунок) оседают тяжелые частицы, загрязняющие масло?

1) Вращающегося колпака. 2) Кожуха. 3) Корпуса.

II. Оседание тяжелых частиц, загрязняющих масло, при работе фильтра происходит за счет действия...

1) центробежной силы, 2) реактивных сил,

3) силы тяжести масла,4) силы трения между слоями масла?

III. Ротор фильтра вращается под действием (смотрите рисунок)...

1) силы тяжести, 2) реактивных сил, 3) центробежных сил, 4) всех перечисленных сил?

IV Ротор фильтра вращается...

1) против часовой стрелки, 2) по часовой стрелке?

 

V Какими позициями на рисунке обозначены детали, которые необходимо отвернуть для промывки фильтра?

 

 

ТЕСТ № 10

I. Какой позицией на рисунке обозначена главная масляная магистраль?

II. Какой позицией на рисунке обозначен фильтрующий элемент?

III. Какой позицией на рисунке обозначен масляный насос?

IV. Какой позицией на рисунке обозначен канал подачи масла к Г.Р.М.?

V. Какой позицией на рисунке обозначена сливная пробка?

 

ТЕСТ № 11

I. Какой позицией на рисунке обозначен канал подачи масла к деталям К.Ш.М.?

II. Какой позицией на рисунке обозначен картер двигателя?

III. Какой позицией на рисунке обозначен корпус масляного фильтра?

IV. Какой позицией на рисунке обозначен маслоприёмник с сетчатым фильтром?

V. Какой позицией на рисунке обозначен поддон картера?

 

 

ТЕСТ № 12

I. Какой позицией на рисунке обозначен редукционный клапан?

II. Какой позицией на рисунке обозначены шестерни масляного насоса?

III. В каком направлении (обозначенном на рисунке буквой) будет двигаться масло при открытом редукционном клапане?

IV. Какой позицией (буквой) на рисунке обозначен канал соединяющийся с маслоприёмником?

V. Какой позицией (буквой) на рисунке обозначен канал соединяющийся с масляным фильтром?

 

 

ТЕСТ № 13

 

I. Какой позицией на рисунке обозначен карбюратор?

II. Какой позицией на рисунке обозначен поддон картера?

III. Какой позицией на рисунке обозначен маслоотделитель?

IV. Какой позицией на рисунке обозначен впускной трубопровод?

V. Какой позицией на рисунке обозначен впускной клапан?

 

 

ТЕСТ № 14

I. Какой позицией на рисунке обозначена пробка для слива масла?

II. Какой позицией на рисунке обозначен канал подвода масла к деталям К.Ш.М.?

III. Какой позицией на рисунке обозначен канал подвода масла к деталям Г.Р.М.?

IV. Какой позицией на рисунке обозначен фильтрующий элемент?

V. Какой позицией на рисунке обозначен корпус масляного фильтра?

 

ТЕМА – 2

 

ДВИГАТЕЛЬ.

СИСТЕМА ОХЛОЖДЕНИЯ.

 

ТЕСТ № 1

I. Если после прогрева двигателя до определенной темпе­ратуры не отводить тепло от наиболее нагретых деталей, то это приведет к...

1) повышению коэффициента полезного действия,

2) незначительному снижению срока службы,

3) заклиниванию и разрушению деталей,

4) к одному из указанных последствий в зависимости от модели теплового двигателя внутреннего сгорания?

II. На полностью прогретом двигателе температура ох­лаждающей жидкости должна поддерживаться в ин­тервале...

1) 10-90°С, 2) 40-80°С, 3)80-100°С, 4) 120-140°С.

III. После прогрева двигателя интенсивность тепловыде­ления в процессе его длительной работы на различных режимах...

1) остается неизменной,

2) незначительно изменяется,

3) изменяется в широких пределах,

4) остается неизменной в карбюраторных двигателях и изменяется в дизельных двигателях?

IV. Поддержание наивыгоднейшего теплового режима в двигателях с жидкостным охлаждением достигается за счет...

1) только изменения скорости циркуляции жидкости в рубашке охлаждения,

2) постоянного пропускания всей жидкости через ради­атор,

3) периодического пропускания части жидкости через радиатор, использования жалюзи, отключаемого вен­тилятора, утеплительного чехла,

4) использования одного из указанных способов в зави­симости от модели двигателя?

V. Какие функции выполняет термостат?

1) Перекрывает доступ жидкости к радиатору при про­греве холодного двигателя после пуска.

2) Подключает радиатор после прогрева охлаждающей жидкости до определенной температуры.

3) Выполняет какую-либо одну из указанных функций в зависимости от модели двигателя.

4) Выполняет обе указанные функции.

 

ТЕСТ № 2

I. Если температура охлаждающей жидкости в системе ох­лаждения двигателя ниже 70°С, то она циркулирует...

1) по малому кругу,

2) по большому кругу,

3) по малому или большому кругу в зависимости от мо­дели двигателя?

II. В каком положении должен находиться клапан термо­стата, если температура жидкости в рубашке охлаждения выше 90°С:

1) в открытом,

2) в закрытом,

3) в одном из указанных положений в зависимости от особенностей устройства системы охлаждения?

III. Каково основное назначение расширительного бачка?

1) Увеличение количества охлаждающей жидкости в системе.

2) Обеспечение постоянного объема жидкости, цирку­лирующей в системе.

3) Создание лучших условий для контроля уровня жидко­сти.

IV. Отверстие в нижней части корпуса насоса охлаждающей жидкости служит для...

1) контроля за герметичностью сальника,

2) лучшего отвода тепла от деталей насоса,

3) контроля за появлением смазки при ее подаче к под­шипникам вала насоса,

4) выполнения всех перечисленных функций?

V. Чтобы ускорить прогрев холодного двигателя после его запуска, жалюзи необходимо...

1) закрыть, 2) открыть?

 

 

ТЕСТ № 3

I. Если во время движения автомобиля на щитке прибо­ров рядом с указателем температуры охлаждающей жид­кости загорелась сигнальная лампа, это означает, что...

1) в системе охлаждения произошло повышение давле­ния паров жидкости,

2) уровень жидкости в расширительном бачке опустил­ся ниже минимальной отметки,

3) температура охлаждающей жидкости превысила до­пустимые значения,

4) произошла разгерметизация и началась утечка из си­стемы охлаждающей жидкости?

II. Что должен предпринять водитель в ситуации, указан­ной в предыдущем вопросе?

1) Перейти на пониженную передачу и продолжить движение с меньшей скоростью.

2) Увеличить скорость и перейти на повышенную пере­дачу, продолжить движение.

3) Остановиться, заглушить двигатель, обнаружить и ус­транить неисправность.

4) Поступить одним из указанных способов в зависимо­сти от условий движения.

III. Предпусковой подогреватель рекомендуется использо­вать при температуре воздуха ниже...

1)5°С, 2)0°С, 3)-5°С, 4)-10°С, 5)-15°С?

IV. В каком ответе указана правильная последовательность действий при запуске подогревателя после заполнения рубашки котла водой?

1) Открыть кран подачи топлива, включить вентилятор, включить свечу накаливания.

2) Включить вентилятор, включить свечу накаливания, открыть кран подачи топлива.

3) Открыть кран подачи топлива, включить свечу нака­ливания, включить вентилятор.

4) Включить свечу накаливания, открыть кран подачи топлива, включить вентилятор.

V. После воспламенения горючей смеси в камере сгора­ния котла подогревателя свечу накаливания следует...

1) выключить,

2) оставить включенной в течение 2—3 мин?

 

 

ТЕСТ № 4

I. Для прекращения работы подогревателя необходимо в первую очередь...

1) выключить вентилятор,

2) выключить свечу накаливания,

3) закрыть кран подачи топлива в камеру сгорания - котла?

II. Какую воду нельзя применять в системах охлаждения?

1) Дождевую. 2) Ключевую. 3) Снеговую. 4) Морскую. 5) Артезианскую.

III. Применение в системе охлаждения «жесткой» воды, со­держащей большое количество солей, ведет:

1) к образованию накипи, 2) к повышению коррозии,

3) к перегреву двигателя, 4) ко всему названному?

IV. Антифризы вместо воды рекомендуется применять в

системе охлаждения при температуре воздуха ниже...

1)+10°С, 2)0°С, 3)-10°С, 4) -20°С?

V. Антифриз...

1) ведет к отравлению при попадании внутрь организма,

2) вызывает химический ожог при попадании на кожу,

3) является безвредным для здоровья водителя?

 

 

ТЕСТ № 5

Предпусковой подогреватель

Какой позицией на рисунке обозначены:

I. Горловина, через которую рубашка котла подогревателя заполняется жидкостью?

II. Кран слива жидкости из рубашки котла?

III. Топливный бачок?

IV. Заливная горловина для заполнения бачка топливом?

V. Кран подачи топлива из бачка в камеру сгорания котла?

 

ТЕСТ № 6

На каких автомобилях применяются двигатели, систе­ма охлаждения которых характеризуется следующими осо­бенностями:

I. Есть включатель гидромуфты?

II. Лопасти вентилятора жестко закреплены на валу насо­са охлаждающей жидкости?

III. Регулирование натяжения приводного ремня насоса осуществляется смещением корпуса генератора?

IV. Во впускной трубе имеются полости для циркуляции охлаждающей жидкости?

V. Вентилятор имеет электропривод?

Варианты ответов:

1) ГАЗ-53-12. 2) КамАЗ-5320. 3) ЗИЛ-130. 4) ВАЗ-2108.

 

ТЕСТ № 7

Каковы наиболее вероятные последствия:

I. Обрыва или пробуксовывания ремня вентилятора?

II. Отложения накипи в системе охлаждения?

III. Отсутствия утеплительного чехла двигателя зимой?

IV. Заклинивания клапана термостата в закрытом поло­жении?

V. Заклинивания клапана термостата в открытом положении?

Варианты ответов:

1) Перегрев двигателя. 2) Переохлаждение двигателя.

 

ТЕСТ № 8

I. Термостат исправен, если при прогреве двигателя до тем­пературы охлаждающей жидкости +80°С шланг, соединя­ющий патрубок термостата с верхним бачком радиатора...

1) остается холодным, а после полного прогрева двига­теля температура шланга соответствует температуре охлаждающей жидкости,

2) прогревается до температуры охлаждающей жидко­сти, а после полного прогрева становится холодным.

II. Каким способом проверяют натяжение приводного ремня насоса охлаждающей жидкости?

1) Измерением усилия, вызывающего проскальзывание ремня на шкиве.

2) Измерением общей фактической длины ремня и сравнением ее с номинальным значением.

3) Измерением прогиба ветви ремня в средней части.

4) Любым из перечисленных способов.

III. Если система охлаждения не имеет расширительного бачка, то в случае заполнения ее антифризом объем пос­леднего должен быть:

1) равен номинальной емкости,

2) меньше номинальной емкости,

3) меньше или равен номинальной емкости?

IV. Как следует снимать пробку радиатора для проверки уровня охлаждающей жидкости в верхнем бачке радиа­тора, если двигатель полностью прогрет?

1) Быстро отвернуть пробку и резким движением руки отвести в сторону.

2) Отвернуть пробку, в случае выхода пара повторно за­крыть, затем быстро открыть и снять.

3) Накрыть пробку мокрой тканью в несколько слоев, снять пробку, оберегая руки и лицо от ожога.

4) Снять пробку лишь после того, как температура ох­лаждающей жидкости понизится до 40°С.

V. При сливе воды из системы охлаждения двигателя авто­мобиля, который хранится зимой в неотапливаемом по­мещении, необходимо открыть сливные краники:

1) на нижнем бачке,

2) на блоке цилиндров,

3) на радиаторе отопителя радиатора,

4) во всех перечисленных местах?

ТЕСТ № 9

I. В системе охлаждения, заполненной антифризом, уро­вень жидкости при холодном двигателе, который прове­ряется в расширительном бачке, должен быть...

1) на метке «МIN»,

2) выше метки «МIN» на 3-5 см,

3) ниже метки «МIN» на 3—5 см,

4) в одном из указанных положений?

II. При значительной утечке антифриза в пути в систему добавляют...

1) воду, 2) антифриз?

III. Подтекание охлаждающей жидкости через конт­рольное отверстие в нижней части корпуса водяного насоса свидетельствует о...

1) неплотности соединения крышки и корпуса насоса,

2) изнашивании или повреждении деталей сальника,

3) ослаблении крепления крыльчатки на валу насоса,

4) возникновении любой из перечисленных неисправ­ностей?

IV. При удалении накипи, которая откладывается в про­цессе эксплуатации системы охлаждения и ухудшает работу двигателя, используют водные растворы различ­ных веществ. При значительном отложении накипи ее удаление производят путем промывки...

1) отдельно радиатора и рубашки охлаждения двигателя,

2) вместе одним и тем же раствором для всех приборов,

3) раздельно или вместе в зависимости от особенностей двигателя?

V. После слива раствора, использованного для удаления накипи, систему охлаждения промывают водой, обеспе­чивая подачу 10—15-кратного объема в направлении... циркуляции охлаждающей жидкости

1) обратной, 2) прямой?

 

ТЕСТ № 10

I. Какой позицией на рисунке обозначен радиатор системы охлаждения?

II. Какой позицией на рисунке обозначен расширительный бочок?

III. Какой позицией на рисунке обозначен вентилятор системы охлаждения?

IV. Какой позицией на рисунке обозначена заливная горловина?

V. Какой позицией на рисунке обозначен верхний патрубок радиатора?

 

ТЕСТ № 11

I. Какой позицией на рисунке обозначен расширительный бочёк?

II. Какой позицией на рисунке обозначен вентилятор?

III. Какой позицией на рисунке обозначен термостат?

IV. Какой позицией на рисунке обозначен радиатор системы отопления?

V. Какой позицией на рисунке обозначен насос охлаждающей жидкости?

 

 

ТЕСТ № 12

I. Какой позицией на рисунке обозначен верхний бочёк радиатора?

II. Какой позицией на рисунке обозначен кран отопителя салона?

III. Какой позицией на рисунке обозначены шланги отвода и подвода жидкости к радиатору системы отопления салона?

IV. Какой позицией на рисунке обозначен насос охлаждающей жидкости?

V. Какой позицией на рисунке обозначен термостат?

 

ТЕСТ № 13

I. В каком положении будет находиться клапан термостата (смотрите рисунок) при температуре охлаждающей жидкости менее 80º С.?

II. В каком положении будет находиться клапан термостата (смотрите рисунок) при температуре охлаждающей жидкости более 94º С.?

III. В каком положении будет находиться клапан термостата (смотрите рисунок) при температуре охлаждающей жидкости более 80º С и менее 94º С.?

IV. Какой цифрой обозначен основной клапан (смотрите рисунок)?

V. Какой цифрой обозначен перепускной клапан (смотрите рисунок)?

 

 

 

ТЕСТ № 14

I. На каком рисунке изображена циркуляция охлаждающей жидкости по малому кругу?

II. Какой цифрой на рисунке «А» обозначена рубашка охлаждения блока цилиндров?

III. Какой цифрой на рисунке «А» обозначен расширительный бочёк?

IV. На каком рисунке изображена циркуляция охлаждающей жидкости по большому кругу?

V. Какой цифрой на рисунке «А» обозначен термостат?

 

 

ТЕМА – 2

 

ДВИГАТЕЛЬ.

СИСТЕМА ЗАЖИГАНИЯ.

 

ТЕСТ № 1

I. Какой позицией на рисунке обозначен фильц?

II. Какой позицией на рисунке обозначен валик?

III. Какой позицией на рисунке обозначен центральный электрод с клеммой?

IV. Какой позицией на рисунке обозначен ротор распределителя?

V. Какой позицией на рисунке обозначен корпус вакуумного регулятора?

 

ТЕСТ № 2

 

I. Какой позицией на рисунке обозначена катушка зажигания?

II. Какой позицией на рисунке обозначен распределитель зажигания?

III. Какой позицией на рисунке обозначен центральный электрод?

IV. Какой позицией на рисунке обозначен изолятор?

V. Какой позицией на рисунке обозначен боковой электрод?

 

 

ТЕСТ № 3

I. На каком рисунке изображена цепь низкого напряжения?

II. Какой позицией на рисунке обозначена вторичная обмотка катушки зажигания?

III. Какой позицией на рисунке обозначена первичная обмотка катушки зажигания?

IV. Какой позицией на рисунке обозначен подвижный контакт прерывателя?

V. Какой позицией на рисунке обозначен конденсатор?

 

 

ТЕСТ № 4

 

I. Какой позицией на рисунке обозначена катушка зажигания?

II. Какой позицией на рисунке обозначен датчик-распределитель зажигания?

III. Какой позицией на рисунке обозначен электронный коммутатор?

IV. Какой позицией на рисунке обозначен центральный электрод?

V. Какой позицией на рисунке обозначен корпус?

ТЕСТ № 5

I. Какой позицией на рисунке обозначен бесконтактный датчик?

II. Какой позицией на рисунке обозначен экран датчика?

III. Какой позицией на рисунке обозначен грузик центробежного регулятора опережения зажигания?

IV. Какой позицией на рисунке обозначен ротор распределителя зажигания?

V. Какой позицией на рисунке обозначен диафрагма вакуумного регулятора?

 

ТЕСТ № 6

 

I. На каком рисунке изображена цепь высокого напряжения?

II. Какой позицией на рисунке обозначен кулачёк прерывателя?

III. Какой позицией на рисунке обозначен боковой контакт распределителя?

IV. Какой позицией на рисунке обозначен изолятор?

V. Какой позицией на рисунке обозначен центральный электрод?

 

ТЕСТ № 7

 

I. Какой цифрой на рисунке обозначена метка на шкиве коленчатого вала соответствующая ВМТ первого цилиндра?

II. Какая из меток на рисунке будет соответствовать углу 5° опережения зажигания?

III. Какая из меток на рисунке будет соответствовать углу 10° опережения зажигания?

IV. На каком рисунке изображено положение коленчатого вала соответствующее ВМТ первого цилиндра?

V. Какой позицией на рисунке обозначен боковой электрод?

ТЕСТ № 8

 

I. Какой цифрой на рисунке обозначена первичная обмотка?

II. Какой цифрой на рисунке обозначена вторичная обмотка?

III. Какой позицией на рисунке обозначен корпус конденсатора?

IV. Какой позицией на рисунке обозначена конденсаторная бумага?

V. Какой позицией на рисунке обозначен бумажный изоляционный цилиндр?

 

ТЕСТ № 9

 

 

I. Какой позицией на рисунке обозначен датчик-распределитель?

II. Какой позицией на рисунке обозначена катушка зажигания?

III. Какой позицией на рисунке обозначены провода высокого напряжения?

IV. Какой позицией на рисунке обозначены провода низкого напряжения?

V. Какой позицией на рисунке обозначен выключатель зажигания?

ТЕСТ № 10

 

I. На каком рисунке изображена цепь низкого напряжения?

II. Какой позицией на рисунке свечи зажигания обозначен изолятор?

III. Какой позицией на рисунке свечи зажигания обозначен корпус?

IV. В каких пределах должен находиться зазор «А» (смотрите рисунок свечи зажигания):

 

А. 0,85-1 мм Б. 0,1-0,58 мм В. 0,58-1 см

V. Какой цифрой на рисунке (катушка зажигания) обозначена вторичная обмотка?

 

ТЕСТ № 11

I. Какой позицией на рисунке обозначен конденсатор?

II. Какой позицией на рисунке обозначена опорная пластина центробежного регулятора угла опережения зажигания?

III. Какой позицией на рисунке обозначена крышка распределителя зажигания?

IV. Какой позицией на рисунке обозначен контактный уголёк?

V. Какой позицией на рисунке обозначен грузик центробежного регулятора угла опережения зажигания?

 

 

ТЕСТ № 12

I. Какой позицией на рисунке обозначена метка на передней крышке блока цилиндров соответствующая 0° опережения зажигания?

II. Какой позицией на рисунке катушки зажигания обозначена первичная обмотка?

III. Какой позицией на рисунке катушки зажигания обозначена вторичная обмотка?

IV. Какой позицией на рисунке свечи зажигания обозначен изолятор?

V. Какой позицией на рисунке свечи зажигания обозначен боковой контакт?

 

ТЕСТ № 13

I. Какой позицией на рисунке обозначен приводной валик?

II. Какой позицией на рисунке обозначен кулачок прерывателя?

III. Какой позицией на рисунке обозначен ротор распределителя?

IV. Какой позицией на рисунке обозначен резистор?

V. Какой позицией на рисунке обозначена диафрагма вакуумного регулятора угла опережения зажигания?

 

ТЕСТ № 14

 

I. Какой позицией на рисунке обозначен датчик-распределитель?

II. Какой позицией на рисунке обозначены провода высокого напряжения?

III. Какой позицией на рисунке обозначены провода низкого напряжения?

IV. Какой позицией на рисунке обозначен выключатель зажигания?

V. Какой позицией на рисунке обозначена катушка зажигания?

 

Эталоны ответов на тестовые задания

Номер задания Номер вопроса тема
 
I II III IV V
1   3,9,6 1, 10 1,9 Б ТЕМА – 2   ДВИГАТЕЛЬ. Кривошипно-Шатунный МЕХАНИЗМ. (КШМ).
2 Е Г В Д А, Б
3          
4 А А А А, В Г
5 А В Г, А, Б В В
6 В Б Б Б Б
7       А А
8       Б В
9 А А В, Г А, Г А
10          
11 А А, Б А В А
12          
13 А А, Б А, Г В А
14 А, Г Е Д Л Б

 

Номер задания Номер вопроса тема
 
I II III IV V
1           ТЕМА – 2   ДВИГАТЕЛЬ. Газораспределительный МЕХАНИЗМ (ГРМ).  
2 1, 3 2,4 1,4 2, 3 1,3
3 Б, В А, Е - Г Д
4   1, 2, 3, 4, 6     1, 2, 3,4, 6
5         -
6          
7 2,3        
8 Ж Л Д Е К
9          
10 И К И Г В
11     2,3    
12 Л Е Г В К
13          
14       8, 7  

 

 

Номер задания Номер вопроса тема
 
I II III IV V
1 3,5 1,3,5       ТЕМА – 2   ДВИГАТЕЛЬ. СИСТЕМА СМАЗКИ.  
2 1, 2        
3          
4          
5          
6     1, 3    
7          
8          
9         4,10
10 Б Г Ж А К
11 Е В Д З И
12     В Б А
13 Д Л Е И О
14 К Е А Г Д

 

 







Date: 2015-05-04; view: 6892; Нарушение авторских прав

Номер задания Номер вопроса тема
 
I II III IV V
1           ТЕМА – 2 ДВИГАТЕЛЬ. СИСТЕМА ОХЛОЖДЕНИЯ.  


mydocx.ru - 2015-2026 year. (0.697 sec.) Все материалы представленные на сайте исключительно с целью ознакомления читателями и не преследуют коммерческих целей или нарушение авторских прав - Пожаловаться на публикацию