Главная Случайная страница


Полезное:

Как сделать разговор полезным и приятным Как сделать объемную звезду своими руками Как сделать то, что делать не хочется? Как сделать погремушку Как сделать так чтобы женщины сами знакомились с вами Как сделать идею коммерческой Как сделать хорошую растяжку ног? Как сделать наш разум здоровым? Как сделать, чтобы люди обманывали меньше Вопрос 4. Как сделать так, чтобы вас уважали и ценили? Как сделать лучше себе и другим людям Как сделать свидание интересным?


Категории:

АрхитектураАстрономияБиологияГеографияГеологияИнформатикаИскусствоИсторияКулинарияКультураМаркетингМатематикаМедицинаМенеджментОхрана трудаПравоПроизводствоПсихологияРелигияСоциологияСпортТехникаФизикаФилософияХимияЭкологияЭкономикаЭлектроника






Основные теоретические положения и описание принципиальных схем





МИНИСТЕРСТВО ОБРАЗОВАНИЯ РФ

Курский государственный технический университет

Кафедра вычислительной техники

ПАРАМЕТРИЧЕСКИЙ СТАБИЛИЗАТОР НАПРЯЖЕНИЯ НА СТАБИЛИТРОНЕ

Методические указания

к лабораторной работе по дисциплине

“Электроника”

для студентов специальности 220100

Курск 2005


Составитель В.И. Иванов

УДК 681.3

Рецензент

Кандидат технических наук, доцент кафедры конструирования и технологии электронных вычислительных средств О.Г. Бондарь

Параметрический стабилизатор напряжения на стабилитроне:Методические указания к лабораторной работе по дисциплине “Электроника” для студентов специальности 220100 / Курск. гос. техн. ун-т; Сост. В.И. Иванов. Курск, 2005. 9 с.

Описывается методика измерений статической характеристики и параметров полупроводникового стабилитрона и схемы параметрического стабилизатора напряжения на стабилитроне; приведены рекомендации по применению программы моделирования электронных схем Electronics Workbench 5.0 при выполнении исследований стабилитрона и стабилизатора.

Предназначены для студентов специальности 220100.

Ил. 3, табл. 1. Библиогр.: 4 назв.

Текст печатается в авторской редакции

ЛР № 020280 от 09.12.96. ПЛД № 50–25 от 1.04.97.

Подписано в печать Формат 60х84 1/16. Печать офсетная

Усл. печ. л. Уч.-изд. л. Тираж 75 экз. Заказ.

Курский Государственный Технический Университет.

Издательско-полиграфический центр Курского Государственного Технического Университета.

305040 Курск, ул. 50 лет Октября, 94.


ПАРАМЕТРИЧЕСКИЙ СТАБИЛИЗАТОР НАПРЯЖЕНИЯ НА СТАБИЛИТРОНЕ

Цель работы

Изучение статической характеристики и параметров полупроводникового стабилитрона и параметрического стабилизатора напряжения на стабилитроне.

Основные теоретические положения и описание принципиальных схем

Полупроводниковый стабилитрон – это полупроводнико-вый диод, напряжение на котором в области электрического пробоя при обратном смещении слабо зависит от тока в заданном его диапазоне и который предназначен для стабилизации напряжения. Исходным материалом для стабилитрона служит кремний.

Рис. 1. Вольт-амперная характеристика стабилитрона

На рис. 1. показан примерный вид вольт-амперной характеристики (ВАХ) стабилитрона. Основным параметром стабилитрона является напряжение стабилизации U ст – значение напряжения на стабилитроне при прохождении заданного тока I ст. В зависимости от толщины p-n перехода напряжение стабилизации может быть от 2 до 400 В. Рабочий участок ВАХ ограничен предельно допустимыми значениями тока I ст.min и I ст.max, которые приводятся в справочных данных.

О качестве стабилитрона, т.е. о его способности стабилизировать напряжение при изменениях проходящего тока, можно судить по значению дифференциального сопротивления стабилитрона rст, которое определяется отношением приращения напряжения к вызвавшему его приращению тока. Качество стабилитрона тем выше, чем меньше его дифференциальное сопротивление.

При проектировании источников электропитания для радиоэлектронной аппаратуры предъявляются высокие требования к стабильности напряжения питания. Простейшими стабилизаторами напряжения являются схемы, использующие нелинейные элементы, ВАХ которых содержит участок, где напряжение почти не зависит от тока. Именно такую характеристику имеет стабилитрон при обратном напряжении в области пробоя.

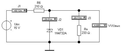
В данной работе исследуется параметрический стабилизатор, основанный на использовании полупроводникового стабилитрона (рис. 2).

Рис. 2. Параметрический стабилизатор напряжения

В этой схеме стабильность выходного напряжения определяется в основном параметрами стабилитрона VD1.

Входное напряжение U вх должно быть больше напряжения пробоя стабилитрона U ст. Для ограничения тока через стабилитрон устанавливается балластный резистор R б, на котором падает разность напряжений U вх – U ст. Часть входного напряжения теряется на этом резисторе, а оставшаяся часть приложена к нагрузке. Функцию нагрузки в схеме выполняет сопротивление R н, величину которого можно задавать при проведении исследования. Колебания входного напряжения U вх или тока нагрузки I н приводят к изменению тока через стабилитрон I ст.

Наибольший ток через стабилитрон протекает при максимальном входном напряжении и минимальном токе нагрузки:

.

Наименьший ток через стабилитрон протекает при минимальном входном напряжении и максимальном токе нагрузки:


.

Полный диапазон изменения тока стабилитрона составляет

= (Uвх.макс – Uвх.мин)/Rб + Iн.макс – Iн.мин.

При выполнении условий:

< ; > ,

где и – предельно допустимые токи стабилитрона, напряжение на нагрузке U вых = U ст стабильно.







Date: 2015-05-04; view: 770; Нарушение авторских прав



mydocx.ru - 2015-2026 year. (1.028 sec.) Все материалы представленные на сайте исключительно с целью ознакомления читателями и не преследуют коммерческих целей или нарушение авторских прав - Пожаловаться на публикацию